Меню
Дом
О нас
Сертификаты
видео
Видение и миссия
Товары
Сферический роликовый подшипник
Цилиндрические роликоподшипники
Конические роликовые подшипники
Игольчатые роликоподшипники
Радиальные шарикоподшипники
Радиально-упорные шарикоподшипники
Сферические подшипники скольжения
Блоки подушек
Упорные цилиндрические роликоподшипники
Вставки
Упорные шарикоподшипники
Самоустанавливающиеся шарикоподшипники
Подшипники поворотного кольца
Комбинированные подшипники
Подписчики на камеру
Подшипники ролика гусеницы
Линейные подшипники
Сельскохозяйственные подшипники
Автомобильные подшипники
другие продукты
Подшипники прокатного стана
Подшипники водяного насоса
Промышленность
Промышленные вентиляторы и воздуходувки
Лифты и эскалаторы
Добыча полезных ископаемых, заполнители и бетон
Обработка металлов
Строительство
Бумажная пульпа
Леса и леса
Коробка передач и редукторы
Текстиль
ПРОИЗВОДСТВО
Дизайн продукта
Технологический процесс
качественный
Высококачественное сырье
Строгая система обеспечения качества
Процесс контроля качества
Система отслеживания качества продукции
Система непрерывного улучшения
услуга
Техническое решение
Продажа Решение
Новости
Новости отрасли
Новости МБИ
Новости о продуктах
Связаться с нами
:
полный
Название продукта
ключевое слово
Модель продукта
Краткое описание продукта
Описание продукта
Полнотекстовый поиск
Pусский
English
Добро пожаловать в MBY
Вы здесь:
Дом
/
Товары
/
12ДЖ150Т465
ТОВАРЫ
loading
Модель:
12J150T465
Марка продукта:
MBY
штат:
Количество:
Запрос цены
Добавить в корзину
12ДЖ150Т465
Описание продукта
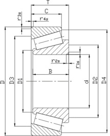
Код подшипника
12J150T465
d
80
D
140
B
29
Ограничивая скорость смазки
2600
Ограничение скоростного масла
3500
Cr (KN)
142
COR (KN)
224
М (кг)
1.95
О MBY
Сертификаты
Профиль MBY
Качественный
Услуга
ТОВАРЫ
Сферический ролик
Цилиндрические роликовые подшипники
Конусные роликовые подшипники
Игольчатые подшипники
Глубокие шариковые подшипники
Промышленность
Промышленные поклонники и воздуходувки
Лифты и эскалаторы
Добыча, заполнение и бетон
Обработка металла
Строительство
СВЯЗАТЬСЯ
FAX:0086-581-82609444
Эл. адрес:
info@mby-bearing.com
Web:
www.mby-bearing.com
Address:Yanqiao Industrial Park,Huishan District,Wuxi,China.
© Copyright By Wuxi MBY Bearing Technology Co.,Ltd 2016
苏ICP备12075004号
Телефон
Электронная почта
Скайп
Оставить сообщение
Электронная почта этому поставщику
*
Электронная почта
Телефон
Название компании
*
Сообщение
Представлять на рассмотрение