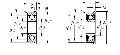
| Товар Число | Заседание Диа (D) | Внешний Диа (D) | Ширина (б) | Фланец Диапазон (DF) | Фланец Ширина (BF) | Динамика Нагрузка Рейтинг | Статический Нагрузка Рейтинг |
| (Cr)/n | (Кукуруза | ||||||
| FR0 | 0.0469 дюйм | 0.1562 дюйм | 0.0625 дюйм | 0.2030 дюйм | 0.013 дюйм | 21 | 6 |
| Fr0zz | 0.0469 дюйм | 0.1562 дюйм | 0.0937 дюйм | 0.2030 дюйм | 0.031 дюйм | 21 | 6 |
| FR1 | 0.055 дюйм | 0.1875 дюйм | 0.0781 дюйм | 0.2340 дюйм | 0.023 дюйм | 44 | 12 |
| Fr1zz | 0.055 дюйм | 0.1875 дюйм | 0.1094 дюйм | 0.2340 дюйм | 0.031 дюйм | 44 | 12 |
| FR1-4 | 0.0781 дюйм | 0.2500 дюйм | 0.0937 дюйм | 0.2960 дюйм | 0.023 дюйм | 54 | 17 |
| FR1-4 2rs | 0.0781 дюйм | 0.2500 дюйм | 0.1406 дюйм | 0.2960 дюйм | 0.031 дюйм | 54 | 17 |
| FR1-4ZZ | 0.0781 дюйм | 0.2500 дюйм | 0.1406 дюйм | 0.2960 дюйм | 0.031 дюйм | 54 | 17 |
| FR1-5 | 0.0937 дюйм | 0.3125 дюйм | 0.1094 дюйм | 0.3590 дюйм | 0.023 дюйм | 106 | 32 |
| FR1-5 2rs | 0.0937 дюйм | 0.3125 дюйм | 0.1406 дюйм | 0.3590 дюйм | 0.031 дюйм | 106 | 32 |
| FR1-5ZZ | 0.0937 дюйм | 0.3125 дюйм | 0.1406 дюйм | 0.3590 дюйм | 0.031 дюйм | 106 | 32 |
| FR133 | 0.0937 дюйм | 0.1875 дюйм | 0.0625 дюйм | 0.2340 дюйм | 0.018 дюйм | 36 | 11 |
| FR133 2rs | 0.0937 дюйм | 0.1875 дюйм | 0.0937 дюйм | 0.2340 дюйм | 0.018 дюйм | 28 | 10 |
| Fr133zz | 0.0937 дюйм | 0.1875 дюйм | 0.0937 дюйм | 0.2340 дюйм | 0.031 дюйм | 28 | 10 |
| FR144 | 0.125 дюйм | 0.2500 дюйм | 0.0937 дюйм | 0.2960 дюйм | 0.023 дюйм | 54 | 17 |
| FR144 2rs | 0.125 дюйм | 0.2500 дюйм | 0.1094 дюйм | 0.2960 дюйм | 0.031 дюйм | 54 | 17 |
| FR144zz | 0.125 дюйм | 0.2500 дюйм | 0.1094 дюйм | 0.2960 дюйм | 0.031 дюйм | 54 | 17 |
| FR2 | 0.125 дюйм | 0.3750 дюйм | 0.1562 дюйм | 0.4400 дюйм | 0.030 дюйм | 121 | 39 |
| FR2 2rs | 0.125 дюйм | 0.3750 дюйм | 0.1562 дюйм | 0.4400 дюйм | 0.030 дюйм | 121 | 39 |
| Fr2zz | 0.125 дюйм | 0.3750 дюйм | 0.1562 дюйм | 0.4400 дюйм | 0.030 дюйм | 121 | 39 |
| FR2-5 | 0.125 дюйм | 0.3125 дюйм | 0.1094 дюйм | 0.3590 дюйм | 0.023 дюйм | 107 | 32 |
| FR2-5 2rs | 0.125 дюйм | 0.3125 дюйм | 0.1406 дюйм | 0.3590 дюйм | 0.031 дюйм | 107 | 32 |
| FR2-5ZZ | 0.125 дюйм | 0.3125 дюйм | 0.1406 дюйм | 0.3590 дюйм | 0.031 дюйм | 107 | 32 |
| FR2-6 | 0.125 дюйм | 0.3750 дюйм | 0.1094 дюйм | 0.4220 дюйм | 0.023 дюйм | 122 | 41 |
| FR2-6 2rs | 0.125 дюйм | 0.3750 дюйм | 0.1406 дюйм | 0.4220 дюйм | 0.031 дюйм | 122 | 41 |
| FR2-6ZZ | 0.125 дюйм | 0.3750 дюйм | 0.1406 дюйм | 0.4220 дюйм | 0.031 дюйм | 122 | 41 |
| FR155 | 0.1562 дюйм | 0.3125 дюйм | 0.1094 дюйм | 0.3590 дюйм | 0.023 дюйм | 69 | 27 |
| FR155 2rs | 0.1562 дюйм | 0.3125 дюйм | 0.1250 дюйм | 0.3590 дюйм | 0.023 дюйм | 69 | 27 |
| Fr155zz | 0.1562 дюйм | 0.3125 дюйм | 0.1250 дюйм | 0.3590 дюйм | 0.036 дюйм | 69 | 27 |
| FR156 | 0.1875 дюйм | 0.3125 дюйм | 0.1094 дюйм | 0.3590 дюйм | 0.023 дюйм | 69 | 27 |
| FR156 2rs | 0.1875 дюйм | 0.3125 дюйм | 0.1250 дюйм | 0.3590 дюйм | 0.036 дюйм | 69 | 27 |
| Fr156zz | 0.1875 дюйм | 0.3125 дюйм | 0.1250 дюйм | 0.3590 дюйм | 0.036 дюйм | 69 | 27 |
| FR166 | 0.1875 дюйм | 0.3750 дюйм | 0.1250 дюйм | 0.4220 дюйм | 0.023 дюйм | 136 | 49 |
| FR166 2rs | 0.1875 дюйм | 0.3750 дюйм | 0.1250 дюйм | 0.4220 дюйм | 0.031 дюйм | 136 | 49 |
| Fr166zz | 0.1875 дюйм | 0.3750 дюйм | 0.1250 дюйм | 0.4220 дюйм | 0.031 дюйм | 136 | 49 |
| FR3 | 0.1875 дюйм | 0.5000 дюйм | 0.1960 дюйм | 0.5650 дюйм | 0.042 дюйм | 249 | 88 |
| FR3 2rs | 0.1875 дюйм | 0.5000 дюйм | 0.1960 дюйм | 0.5650 дюйм | 0.042 дюйм | 249 | 88 |
| Fr3zz | 0.1875 дюйм | 0.5000 дюйм | 0.1960 дюйм | 0.5650 дюйм | 0.042 дюйм | 249 | 88 |
| FR168 | 0.25 дюйм | 0.3750 дюйм | 0.1250 дюйм | 0.4220 дюйм | 0.023 дюйм | 71 | 31 |
| FR168 2rs | 0.25 дюйм | 0.3750 дюйм | 0.1250 дюйм | 0.4220 дюйм | 0.036 дюйм | 71 | 31 |
| Fr168zz | 0.25 дюйм | 0.3750 дюйм | 0.1250 дюйм | 0.4220 дюйм | 0.036 дюйм | 71 | 31 |
| FR188 | 0.25 дюйм | 0.5000 дюйм | 0.1250 дюйм | 0.5470 дюйм | 0.023 дюйм | 344 | 80 |
| FR188 2rs | 0.25 дюйм | 0.5000 дюйм | 0.1875 дюйм | 0.5470 дюйм | 0.045 дюйм | 344 | 80 |
| Fr188zz | 0.25 дюйм | 0.5000 дюйм | 0.1875 дюйм | 0.5470 дюйм | 0.045 дюйм | 344 | 80 |
| FR4 | 0.25 дюйм | 0.6250 дюйм | 0.1960 дюйм | 0.6900 дюйм | 0.042 дюйм | 283 | 112 |
| FR4 2rs | 0.25 дюйм | 0.6250 дюйм | 0.1960 дюйм | 0.6900 дюйм | 0.042 дюйм | 283 | 112 |
| Fr4zz | 0.25 дюйм | 0.6250 дюйм | 0.1960 дюйм | 0.6900 дюйм | 0.042 дюйм | 283 | 112 |
| FR1810 | 0.3125 дюйм | 0.5000 дюйм | 0.1562 дюйм | 0.5470 дюйм | 0.031 дюйм | 104 | 50 |
| FR1810 2rs | 0.3125 дюйм | 0.5000 дюйм | 0.1562 дюйм | 0.5470 дюйм | 0.013 дюйм | 104 | 50 |
| FR1810ZZ | 0.3125 дюйм | 0.5000 дюйм | 0.1562 дюйм | 0.5470 дюйм | 0.013 дюйм | 104 | 50 |
| FR6 | 0.375 дюйм | 0.8750 дюйм | 0.2188 дюйм | 0.9650 дюйм | 0.062 дюйм | 637 | 256 |
| FR6 2rs | 0.375 дюйм | 0.8750 дюйм | 0.2812 дюйм | 0.9650 дюйм | 0.062 дюйм | 637 | 256 |
| Fr6zz | 0.375 дюйм | 0.8750 дюйм | 0.2812 дюйм | 0.9650 дюйм | 0.062 дюйм | 637 | 256 |