Добро пожаловать в MBY

ТОВАРЫ

loading

facebook sharing button
twitter sharing button
line sharing button
wechat sharing button
linkedin sharing button
pinterest sharing button
sharethis sharing button
Модель: Конец стержня
Марка продукта: MBY
Количество:

Конец стержня

Описание продукта
Сферические подшипники MBY® - это простые подшипники, внутренние и внешние кольца которых имеют сферированные скользящие поверхности. Сферические подшипники MBY® предназначены для передачи радиальных, осевых и комбинированных нагрузок, включая ударные нагрузки в суставах деталей машин и механизмов, где необходимо обеспечить пространственный комплекс или вибрирующие, качающиеся, вращающиеся и простые движения на низких скоростях. Анкет Радиальный, угловой контакт и сферические подшипники излучаются в зависимости от природы передаваемых нагрузок.

Все сферические подшипники MBY® можно разделить на две группы в соответствии с методом смазки рабочих поверхностей.
Существуют подшипники, требующие смазки и самосмазывания подшипников, скользящие поверхности которых изготовлены из специальных материалов.
Последние используются в единицах с более высокими требованиями к долговечности, или когда возникают трудности в обслуживании поддержки, когда неразумно использовать смазку, требующую подшипников.

Подшипники с защитными контактными уплотнениями изготавливаются для защиты скользящих поверхностей от воздействия на окружающую среду и для поддержания смазки.
При выборе типа сферического простого подшипника необходимо учитывать множество факторов, включающих ряд противоречий, которые должны быть разрешены или оптимально сбалансированы.
- Кузов стержней с правой или левой женской нитью.
- Внешняя раса, выложенная бронзовым лайнером.
- Поверхность кузова стержня с цинком, корпус смазки с смазывающим отверстием или соском жира.


571
 
Примечание:Проведите влево или вправо, чтобы просмотреть полный стол!
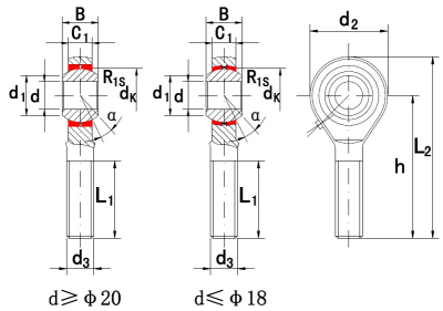
Часть Нет. Dimensions мм нагрузка рейтингиКН  масса кг
d D3 B C1 L3 W D2 D1 H1 L4 L5 D4 D5 дк a дин статистика
6H мин C C0
PHS4 4 M4x0.7 7 5.25 8 8 14 6.5 24 31 4 8 9.5 9.525 13 3 5 0.009
PHS5 5 M5x0.8 8 6 10 9 16 7.7 27 35 4 8.5 11 11.11 13 3.25 5.7 0.016
PHS6 6 M6x1.0 9 6.75 12 11 18 8.96 30 39 5 10 13 12.7 13 4.3 7.2 0.022
PHS8 8 M8x1.25 12 9 16 14 22 10.4 36 47 5 12.5 16 15.875 14 7.2 11.6 0.047
PHS10 10 M10x1.5 14 10.5 20 17 26 12.9 43 56 6.5 15 19 19.05 13 10 14.5 0.077
PHS10-1 10 M10x1.25 14 10.5 20 17 26 12.9 43 56 6.5 15 19 19.05 13 10 14.5 0.077
PHS12 12 M12x1.75 16 12 22 19 30 15.4 50 65 6.5 17.5 22 22.225 13 13.4 17 0.1
PHS12-1 12 M12x1.25 16 12 22 19 30 15.4 50 65 6.5 17.5 22 22.225 13 13.4 17 0.1
PHS14 14 M14x2.0 19 13.5 25 22 34 16.9 57 74 8 20 25 25.4 16 17 24 0.16
PHS14-1 14 M14x1.5 19 13.5 25 22 34 16.9 57 74 8 20 25 25.4 16 17 24 0.16
PHS16 16 M16x2.0 21 15 28 22 40 19.4 64 84 8 22 27 28.575 15 21.6 28.5 0.22
PHS16-1 16 M16x1.5 21 15 28 22 40 19.4 64 84 8 22 27 28.575 15 21.6 28.5 0.22
PHS18 18 M18x1.5 23 16.5 32 27 44 21.9 71 93 10 25 31 31.75 15 26 42.5 0.32
PHS20 20 M20x1.5 25 18 33 30 50 24.4 77 102 10 27.5 34 34.925 14 31.5 42.5 0.42
PHS22 22 M22x1.5 28 20 37 32 54 25.8 84 111 12 30 38 38.1 15 38 57 0.54
PHS25 25 M24x2.0 31 22 42 36 60 29.6 94 124 12 33.5 42 42.86 15 47.5 68 0.73
PHS28 28 M27x2.0 35 24 48 41 66 32.3 103 136 14 37 46 47.63 15 58 75 0.98
PHS30 30 M30x2.0 37 25 51 41 70 34.8 110 145 15 40 50 50.8 17 64 88 1.1
PHS30-1 30 M27x2.0 37 25 51 41 70 34.8 110 145 15 40 50 50.8 17 64 88 1.1
572
 
Примечание:Проведите влево или вправо, чтобы просмотреть полный стол!
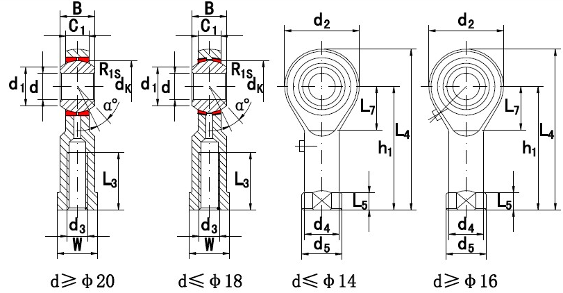
Часть Нет. Dimensions мм нагрузка рейтинги КН масса кг
d D3 B C1 L1 D2 D2 h L2 дк R1S a дин статистика
6G C C0
Pos5 5 M5x0.8 8 6 20 7.7 16 33 41 11.11 0.3 13 3.25 5.7 0.013
Посадочный 6 M6x1.0 9 6.75 22 8.96 18 36 45 12.7 0.3 13 4.3 7.2 0.02
Pos8 8 M8x1.25 12 9 25 10.4 22 42 53 15.875 0.3 14 7.2 11.6 0.03
Pos10 10 M10x1.5 14 10.5 29 12.9 26 48 61 19.05 0.3 13 10 14.5 0.055
POS12 12 M12x1.75 16 12 33 15.4 30 54 69 22.225 0.3 13 13.4 17 0.085
POS12-1 12 M12x1.25 16 12 33 15.4 30 54 69 22.225 0.3 13 13.4 17 0.085
POS14 14 M14x2.0 19 13.5 36 16.9 34 60 77 25.4 0.3 16 17 24 0.14
POS16 16 M16x2.0 21 15 40 19.4 40 66 86 28.575 0.3 15 21.6 28.5 0.21
POS16-1 16 M16x1.5 21 15 40 19.4 40 66 86 28.575 0.3 15 21.6 28.5 0.21
POS18 18 M18x1.5 23 16.5 44 21.9 44 72 94 31.75 0.3 15 26 42.5 0.28
Pos20 20 M20x1.5 25 18 47 24.4 50 78 103 34.925 0.3 14 31.5 52.5 0.38
POS22 22 M22x1.5 28 20 51 25.8 54 84 111 38.1 0.3 15 38 57 0.48
POS25 25 M24x2.0 31 22 57 29.6 60 94 124 42.86 0.3 15 47.5 68 0.64
POS28 28 M27x2.0 35 24 62 32.3 66 103 136 47.63 0.3 15 58 75.5 0.96
Постав 30 M30x2.0 37 25 66 34.8 70 110 145 50.8 0.3 17 64 88 1.1