loading
| Модель: | Однояжа скрещенных роликовых подшипников - 11 серий |
|---|---|
| Марка продукта: | MBY |
| Количество: | |
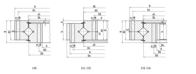
| Несущий Код | Конфигурация Размер | Монтаж Размер | Структура Размер | Зубы Данные | Внешний Зубы | Внутренний Зубы | M | |||||||||||||||||
| нет зубы | внешний зубы | внутренний зубы | D | d | H | D1 | D2 | n | Ø | дм | L | не | D3 | D1 | H1 | h | b | x | m | Де | z | Де | z | кг |
| D L | D L | D L | мм | мм | мм | мм | мм | мм | мм | мм | мм | мм | мм | мм | мм | мм | мм | мм | мм | |||||
| мм | мм | мм | | | | | | | | | | | | | | | | | | |||||
| 110.25.500 | 111.25.500 | 113.25.500 | 602 | 398 | 75 | 566 | 434 | 20 | 18 | M16 | 32 | 4 | 498 | 502 | 65 | 10 | 60 | 0.5 | 5 | 629 | 123 | 367 | 74 | 80 |
| 110.25.560 | 111.25.560 | 113.25.560 | 662 | 458 | 75 | 626 | 494 | 20 | 18 | M16 | 32 | 4 | 558 | 562 | 65 | 10 | 60 | 0.5 | 5 | 689 | 135 | 427 | 86 | 90 |
| 110.25.630 | 111.25.630 | 113.25.630 | 732 | 528 | 75 | 696 | 564 | 24 | 18 | M16 | 32 | 4 | 628 | 632 | 65 | 10 | 60 | 0.5 | 6 | 772.8 | 126 | 494.4 | 83 | 100 |
| 110.25.710 | 111.25.710 | 113.25.710 | 812 | 608 | 75 | 776 | 644 | 24 | 18 | M16 | 32 | 4 | 708 | 712 | 65 | 10 | 60 | 0.5 | 6 | 850.8 | 139 | 572.4 | 96 | 110 |
| 110.28.1000 | 111.28.1000 | 113.28.1000 | 1122 | 878 | 82 | 1078 | 922 | 36 | 22 | М20 | 40 | 6 | 998 | 1002 | 72 | 10 | 65 | 0.5 | 10 | 1188 | 116 | 824 | 83 | 210 |
| 110.28.1120 | 111.28.1120 | 113.28.1120 | 1242 | 998 | 82 | 1198 | 1042 | 36 | 22 | М20 | 40 | 6 | 1118 | 1122 | 72 | 10 | 65 | 0.5 | 10 | 1298 | 127 | 944 | 95 | 230 |
| 110.28.800 | 111.28.800 | 113.28.800 | 922 | 678 | 82 | 878 | 722 | 30 | 22 | М20 | 11 | 6 | 798 | 802 | 72 | 10 | 65 | 0.5 | 8 | 966.4 | 118 | 635.2 | 80 | 170 |
| 110.28.900 | 111.28.900 | 113.28.900 | 1022 | 778 | 82 | 978 | 822 | 30 | 22 | М20 | 40 | 6 | 898 | 902 | 72 | 10 | 65 | 0.5 | 8 | 1062.4 | 130 | 739.2 | 93 | 190 |
| 110.32.1250 | 111.32.1250 | 113.32.1250 | 1390 | 1110 | 91 | 1337 | 1163 | 40 | 26 | M24 | 48 | 5 | 1248 | 1252 | 81 | 10 | 75 | 0.5 | 12 | 1449.6 | 118 | 1048.8 | 88 | 350 |
| 110.32.1400 | 111.32.1400 | 113.32.1400 | 1540 | 1260 | 91 | 1487 | 1313 | 40 | 26 | M24 | 48 | 5 | 1398 | 1402 | 81 | 10 | 75 | 0.5 | 12 | 1605.6 | 131 | 1192.8 | 100 | 400 |
| 110.32.1600 | 111.32.1600 | 113.32.1600 | 1740 | 1460 | 91 | 1687 | 1513 | 45 | 26 | M24 | 48 | 5 | 1598 | 1602 | 81 | 10 | 75 | 0.5 | 14 | 1817.2 | 127 | 1391.6 | 100 | 440 |
| 110.32.1800 | 111.32.1800 | 113.32.1800 | 1940 | 1660 | 91 | 1887 | 1713 | 45 | 26 | M24 | 48 | 5 | 1798 | 1802 | 81 | 10 | 75 | 0.5 | 14 | 2013.2 | 141 | 1573.6 | 113 | 500 |
| 110.40.2000 | 111.40.2000 | 113,40,2000 | 2178 | 1825 | 112 | 2110 | 1891 | 48 | 33 | M30 | 60 | 8 | 1997 | 2003 | 100 | 13 | 90 | 0.5 | 16 | 2268.8 | 139 | 1734.4 | 109 | 900 |
| 110.40.2240 | 111.40.2240 | 113.40.2240 | 2418 | 2065 | 112 | 2350 | 2131 | 48 | 33 | M30 | 60 | 8 | 2237 | 2243 | 100 | 13 | 90 | 0.5 | 16 | 2492.8 | 153 | 1990.4 | 125 | 1000 |
| 110.40.2500 | 111.40.2500 | 113.40.2500 | 2678 | 2325 | 112 | 2610 | 2391 | 56 | 33 | M30 | 60 | 8 | 2497 | 2503 | 100 | 13 | 90 | 0.5 | 18 | 2768.4 | 151 | 2239.2 | 125 | 1100 |
| 110.40.2800 | 111.40.2800 | 113.40.2800 | 2978 | 2625 | 112 | 2910 | 2691 | 56 | 33 | M30 | 60 | 8 | 2797 | 2803 | 100 | 13 | 90 | 0.5 | 18 | 3074.4 | 168 | 2527.2 | 141 | 1250 |
| 110.50.3150 | 111.50.3150 | 113.50.3150 | 3376 | 2922 | 134 | 3286 | 3014 | 56 | 45 | M42 | 84 | 8 | 3147 | 3153 | 122 | 13 | 110 | 0.5 | 20 | 3476 | 171 | 2828 | 142 | 2150 |
| 110.50.3550 | 111.50.3550 | 113.50.3550 | 3776 | 3322 | 134 | 3686 | 3414 | 56 | 45 | M42 | 84 | 8 | 3547 | 3553 | 122 | 13 | 110 | 0.5 | 20 | 3876 | 191 | 3228 | 162 | 2470 |
| 110.50.4000 | 111.50.4000 | 113.50.4000 | 4226 | 3772 | 134 | 4136 | 3864 | 60 | 45 | M42 | 84 | 10 | 3997 | 4003 | 122 | 13 | 110 | 0.5 | 22 | 4329.6 | 194 | 3660.8 | 167 | 2800 |
| 110.50.4500 | 111.50.4500 | 113.50.4500 | 4726 | 4272 | 134 | 4636 | 4364 | 60 | 45 | M42 | 84 | 10 | 4497 | 4503 | 122 | 13 | 110 | 0.5 | 22 | 4835.6 | 217 | 4166.8 | 190 | 3100 |
| 110.25.500 | 112.25.500 | 114.25.500 | | 398 | 75 | 566 | 434 | 20 | 18 | M16 | 32 | 4 | 498 | 502 | 65 | 10 | 60 | 0.5 | 6 | 628.8 | 102 | 368.4 | 62 | 80 |
| 110.25.560 | 112.25.560 | 114.25.560 | | 458 | 75 | 626 | 494 | 20 | 18 | M16 | 32 | 4 | 558 | 562 | 65 | 10 | 60 | 0.5 | 6 | 688.8 | 112 | 428.4 | 72 | 90 |
| 110.25.630 | 112.25.630 | 114.25.630 | | 528 | 75 | 696 | 564 | 24 | 18 | M16 | 32 | 4 | 628 | 632 | 65 | 10 | 60 | 0.5 | 8 | 774.4 | 94 | 491.2 | 62 | 100 |
| 110.25.710 | 112.25.710 | 114.25.710 | | 608 | 75 | 776 | 644 | 24 | 18 | M16 | 32 | 4 | 708 | 712 | 65 | 10 | 60 | 0.5 | 8 | 854.4 | 104 | 571.2 | 72 | 110 |
| 110.28.1000 | 112.28.1000 | 114.28.1000 | | 878 | 82 | 1078 | 922 | 36 | 22 | М20 | 40 | 6 | 998 | 1002 | 72 | 10 | 65 | 0.5 | 12 | 1185.6 | 96 | 820.8 | 69 | 210 |
| 110.28.1120 | 112.28.1120 | 114.28.1120 | | 998 | 82 | 1198 | 1042 | 36 | 22 | М20 | 40 | 6 | 1118 | 1122 | 72 | 10 | 65 | 0.5 | 12 | 1305.6 | 106 | 940.8 | 79 | 230 |
| 110.28.800 | 112.28.800 | 114.28.800 | | 678 | 82 | 878 | 722 | 30 | 22 | М20 | 11 | 6 | 798 | 802 | 72 | 10 | 65 | 0.5 | 10 | 968 | 94 | 634 | 64 | 170 |
| 110.28.900 | 112.28.900 | 114,28,900 | | 778 | 82 | 978 | 822 | 30 | 22 | М20 | 40 | 6 | 898 | 902 | 72 | 10 | 65 | 0.5 | 10 | 1068 | 104 | 734 | 74 | 190 |
| 110.32.1250 | 112.32.1250 | 114.32.1250 | | 1110 | 91 | 1337 | 1163 | 40 | 26 | M24 | 48 | 5 | 1248 | 1252 | 81 | 10 | 75 | 0.5 | 14 | 1453.2 | 101 | 1041.6 | 75 | 350 |
| 110.32.1400 | 112.32.1400 | 114.32.1400 | | 1260 | 91 | 1487 | 1313 | 40 | 26 | M24 | 48 | 5 | 1398 | 1402 | 81 | 10 | 75 | 0.5 | 14 | 1607.2 | 112 | 1195.6 | 86 | 400 |
| 110.32.1600 | 112.32.1600 | 114.32.1600 | | 1460 | 91 | 1687 | 1513 | 45 | 26 | M24 | 48 | 5 | 1598 | 1602 | 81 | 10 | 75 | 0.5 | 16 | 1820.8 | 111 | 1382.4 | 87 | 440 |
| 110.32.1800 | 112.32.1800 | 114.32.1800 | | 1660 | 91 | 1887 | 1713 | 45 | 26 | M24 | 48 | 5 | 1798 | 1802 | 81 | 10 | 75 | 0.5 | 16 | 2012.8 | 123 | 1574.4 | 99 | 500 |
| 110.40.2000 | 112.40.2000 | 114,40,2000 | | 1825 | 112 | 2110 | 1891 | 48 | 33 | M30 | 60 | 8 | 1997 | 2003 | 100 | 13 | 90 | 0.5 | 18 | 2264.4 | 123 | 1735.2 | 97 | 900 |
| 110.40.2240 | 112.40.2240 | 114.40.2240 | | 2065 | 112 | 2350 | 2131 | 48 | 33 | M30 | 60 | 8 | 2237 | 2243 | 100 | 13 | 90 | 0.5 | 18 | 2498.4 | 136 | 1987.2 | 111 | 1000 |
| 110.40.2500 | 112.40.2500 | 114.40.2500 | | 2325 | 112 | 2610 | 2391 | 56 | 33 | M30 | 60 | 8 | 2497 | 2503 | 100 | 13 | 90 | 0.5 | 20 | 2776 | 136 | 2228 | 112 | 1100 |
| 110.40.2800 | 112.40.2800 | 114.40.2800 | | 2625 | 112 | 2910 | 2691 | 56 | 33 | M30 | 60 | 8 | 2797 | 2803 | 100 | 13 | 90 | 0.5 | 20 | 3076 | 151 | 2528 | 127 | 1250 |
| 110.50.3150 | 112.50.3150 | 114.50.3150 | | 2922 | 134 | 3286 | 3014 | 56 | 45 | M42 | 84 | 8 | 3147 | 3153 | 122 | 13 | 110 | 0.5 | 22 | 3471.6 | 155 | 2824.8 | 129 | 2150 |
| 110.50.3550 | 112.50.3550 | 114.50.3550 | | 3322 | 134 | 3686 | 3414 | 56 | 45 | M42 | 84 | 8 | 3547 | 3553 | 122 | 13 | 110 | 0.5 | 22 | 3889.6 | 174 | 3220.8 | 147 | 2470 |
| 110.50.4000 | 112.50.4000 | 114.50.4000 | | 3772 | 134 | 4136 | 3864 | 60 | 45 | M42 | 84 | 10 | 3997 | 4003 | 122 | 13 | 110 | 0.5 | 25 | 4345 | 171 | 3660 | 147 | 2800 |
| 110.50.4500 | 112.50.4500 | 114.50.4500 | | 4272 | 134 | 4636 | 4364 | 60 | 45 | M42 | 84 | 10 | 4497 | 4503 | 122 | 13 | 110 | 0.5 | 25 | 4845 | 191 | 4160 | 167 | 3100 |