loading
| Модель: | Однояжа скрещенных роликовых подшипников - HJ Series |
|---|---|
| Марка продукта: | MBY |
| Количество: | |
| Несущий Код | Конфигурация Размер | Монтаж Размер | Структура Размер | Зубы Данные | Внешний Зубы | Внутренний Зубы | M | |||||||||||||||
| | | | ||||||||||||||||||||
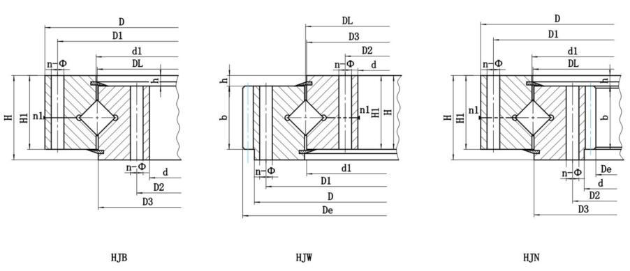
| нет зубы | внешний зубы | внутренний зубы | D | d | H | D1 | D2 | n | Ø | не | D3 | D1 | H1 | h | b | x | m | Де | z | Де | z | кг |
| D L | D L | Дл | мм | мм | мм | мм | мм | | мм | мм | мм | мм | мм | мм | мм | | мм | мм | | мм | | |
| мм | мм | мм | | | | | | | | | | | | | | | | | | | | |
| HJB.20.625 | HJW.20.625 | HJN.20.625 | 725 | 525 | 80 | 685 | 565 | 18 | 18 | 3 | 627 | 623 | 68 | 12 | 60 | 1.4 | 5 | 751.9 | 146 | 498.8 | 101 | 100 |
| HJB.20.625 | HJW.20.625A | HJN.20.625A | 725 | 525 | 80 | 685 | 565 | 18 | 18 | 3 | 627 | 623 | 68 | 12 | 60 | 1.15 | 6 | 755.5 | 122 | 496.7 | 84 | 100 |
| HJB.20.720 | HJW.20.720 | HJN.20.720 | 820 | 620 | 80 | 780 | 660 | 18 | 18 | 3 | 722 | 718 | 68 | 12 | 60 | 1.4 | 6 | 860.3 | 139 | 586.6 | 99 | 120 |
| HJB.20.720 | HJW.20.720A | HJN.20.720A | 820 | 620 | 80 | 780 | 660 | 18 | 18 | 3 | 722 | 718 | 68 | 12 | 60 | 1 | 8 | 861.1 | 104 | 582.3 | 74 | 120 |
| HJB.30.1020 | HJW.30.1020 | HJN.30.1020 | 1170 | 875 | 95 | 1120 | 930 | 24 | 22 | 4 | 1022 | 1018 | 80 | 15 | 70 | 1.4 | 8 | 1219.3 | 148 | 830.1 | 105 | 300 |
| HJB.30.1020 | HJW.30.1020A | HJN.30.1020A | 1170 | 875 | 95 | 1120 | 930 | 24 | 22 | 4 | 1022 | 1018 | 80 | 15 | 70 | 1.15 | 10 | 1219.2 | 118 | 827.8 | 84 | 300 |
| HJB.30.820 | HJW.30.820 | HJN.30.820 | 940 | 705 | 95 | 893 | 749 | 24 | 20 | 4 | 822 | 818 | 83 | 12 | 70 | 1.4 | 6 | 980.6 | 159 | 664.5 | 112 | 210 |
| HJB.30.820 | HJW.30.820A | HJN.30.820A | 940 | 705 | 95 | 893 | 749 | 24 | 20 | 4 | 822 | 818 | 83 | 12 | 70 | 1 | 10 | 986.2 | 95 | 658 | 67 | 210 |
| HJB.30.880 | HJW.30.880 | HJN.30.880 | 1000 | 760 | 95 | 956 | 800 | 24 | 20 | 4 | 882 | 878 | 83 | 12 | 70 | 1.15 | 8 | 1047.5 | 127 | 718.2 | 91 | 230 |
| HJB.30.880 | HJW.30.880A | HJN.30.880A | 1000 | 760 | 95 | 956 | 800 | 24 | 20 | 4 | 882 | 878 | 83 | 12 | 70 | 1 | 10 | 1046.3 | 101 | 707.9 | 72 | 230 |
| HJB.36.1220 | HJW.36.1220 | HJN.36.1220 | 1365 | 1075 | 120 | 1310 | 1130 | 36 | 24 | 6 | 1222 | 1218 | 105 | 15 | 90 | 1.4 | 10 | 1424.9 | 138 | 1027.8 | 104 | 450 |
| HJB.36.1220 | HJW.36.1220a | HJN.36.1220a | 1365 | 1075 | 120 | 1310 | 1130 | 36 | 24 | 6 | 1222 | 1218 | 105 | 15 | 90 | 1 | 12 | 1435.9 | 116 | 1017.3 | 86 | 450 |
| HJB.36.1250 | HJW.36.1250 | HJN.36.1250 | 1400 | 1090 | 120 | 1350 | 1150 | 36 | 26 | 6 | 1252 | 1248 | 105 | 15 | 90 | -0.35 | 10 | 1443 | 143 | 1037 | 105 | 520 |
| HJB.36.1250 | HJW.36.1250A | HJN.36.1250A | 1400 | 1090 | 120 | 1350 | 1150 | 36 | 26 | 6 | 1252 | 1248 | 105 | 15 | 90 | 1 | 12 | 1449.6 | 117 | 1036.8 | 86 | 520 |
| HJB.36.1435 | HJW.36.1435 | HJN.36.1435 | 1595 | 1278 | 120 | 1535 | 1335 | 36 | 26 | 6 | 1437 | 1433 | 105 | 15 | 90 | 1.15 | 12 | 1655.5 | 134 | 1221.2 | 1.3 | 610 |
| HJB.36.1435 | HJW.36.1435A | HJN.36.1435A | 1595 | 1278 | 120 | 1535 | 1335 | 36 | 26 | 6 | 1437 | 1433 | 105 | 15 | 90 | 1 | 14 | 1661.2 | 115 | 1214.8 | 88 | 610 |
| HJB.45.1540 | HJW.45.1540 | HJN.45.1540 | 1720 | 1360 | 140 | 1660 | 1420 | 42 | 26 | 6 | 1543 | 4537 | 122 | 18 | 110 | 1.4 | 12 | 1780.8 | 144 | 1293.1 | 109 | 732 |
| HJB.45.1540 | HJW.45.1540A | HJN.45.1540A | 1720 | 1360 | 140 | 1660 | 1420 | 42 | 26 | 6 | 1543 | 4537 | 122 | 18 | 110 | 1.15 | 14 | 1791.1 | 124 | 1284.8 | 93 | 732 |
| HJB.45.1700 | HJW.45.1700 | HJN.45.1700 | 1875 | 1525 | 140 | 1815 | 1585 | 42 | 29 | 6 | 1703 | 1679 | 122 | 18 | 110 | 1.15 | 14 | 1945.4 | 135 | 1452.7 | 105 | 844 |
| HJB.45.1700 | HJW.45.1700A | HJN.45.1700A | 1875 | 1525 | 140 | 1815 | 1585 | 42 | 29 | 6 | 1703 | 1679 | 122 | 18 | 110 | 1.15 | 16 | 1950.8 | 118 | 1452.3 | 92 | 844 |
| HJB.45.1880 | HJW.45.1880 | HJN.45.1880 | 2100 | 1665 | 160 | 2030 | 1740 | 48 | 32 | 6 | 1883 | 1876 | 140 | 20 | 115 | 1.4 | 14 | 2189.8 | 152 | 1592.6 | 115 | 1400 |
| HJB.45.1880 | HJW.45.1880A | HJN.45.1880A | 2100 | 1665 | 160 | 2030 | 1740 | 48 | 32 | 6 | 1883 | 1876 | 140 | 20 | 115 | 1.15 | 18 | 2194.6 | 118 | 1579.9 | 89 | 1400 |
| HJB.45.2115 | HJW.45.2115 | HJN.45.2115 | 2325 | 1900 | 160 | 2245 | 1980 | 48 | 32 | 6 | 2118 | 2112 | 140 | 20 | 115 | 1.4 | 16 | 2406.5 | 146 | 1804.1 | 114 | 1600 |
| HJB.45.2115 | HJW.45.2115A | HJN.45.2115A | 2325 | 1900 | 160 | 2245 | 1980 | 48 | 32 | 6 | 2118 | 2112 | 140 | 20 | 115 | 1.15 | 20 | 2418.4 | 117 | 1795.4 | 91 | 1600 |
| HJB.45.2370 | HJW.45.2370 | HJN.45.2370 | 2600 | 2146 | 180 | 2520 | 2220 | 48 | 32 | 6 | 2373 | 2367 | 158 | 22 | 130 | 1.4 | 18 | 2707.3 | 146 | 2065.6 | 116 | 2100 |
| HJB.45.2370 | HJW.45.2370A | HJN.45.2370A | 2600 | 2146 | 180 | 2520 | 2220 | 48 | 32 | 6 | 2373 | 2367 | 158 | 22 | 130 | 1.15 | 22 | 2704.4 | 119 | 2040.9 | 94 | 2100 |
| HJB.45.2600 | HJW.45.2600 | HJN.45.2600 | 2835 | 2365 | 180 | 2750 | 2450 | 54 | 36 | 6 | 2603 | 2597 | 158 | 22 | 130 | 1.4 | 18 | 2941.7 | 159 | 2263.5 | 127 | 2400 |
| HJB.45.2600 | HJW.45.2600A | HJN.45.2600A | 2835 | 2365 | 180 | 2750 | 2450 | 54 | 36 | 6 | 2603 | 2597 | 158 | 22 | 130 | 1.15 | 22 | 2946.9 | 130 | 2260.8 | 104 | 2400 |
| HJB.50.2820 | HJW.50.2820 | HJN.50.2820 | 3085 | 2555 | 200 | 3000 | 2640 | 54 | 36 | 6 | 2823 | 2817 | 178 | 22 | 150 | 1.4 | 20 | 3188.4 | 155 | 2455 | 124 | 3400 |
| HJB.50.2820 | HJW.50.2820A | HJN.50.2820A | 3085 | 2555 | 200 | 3000 | 2640 | 54 | 36 | 6 | 2823 | 2817 | 178 | 22 | 150 | 1.15 | 25 | 3198.4 | 124 | 2444.1 | 99 | 3400 |
| HJB.50.3120 | HJW.50.3120 | HJN.50.3120 | 3400 | 2840 | 200 | 3310 | 2930 | 54 | 36 | 6 | 3123 | 3117 | 178 | 22 | 150 | 1.4 | 22 | 3507.2 | 155 | 2722.5 | 125 | 4000 |
| HJB.50.3120 | HJW.50.3120A | HJN.50.3120A | 3400 | 2840 | 200 | 3310 | 2930 | 54 | 36 | 6 | 3123 | 3117 | 178 | 22 | 150 | 1.4 | 25 | 3509.6 | 136 | 2719 | 110 | 4000 |
| HJB.50.3580 | HJW.50.3580 | HJN.50.3580 | 3920 | 3240 | 240 | 3820 | 3340 | 60 | 40 | 6 | 3583 | 3577 | 218 | 22 | 190 | 1.4 | 22 | 4036.1 | 179 | 3118.4 | 143 | 6700 |
| HJB.50.3580 | HJW.50.3580A | HJN.50.3580A | 3920 | 3240 | 240 | 3820 | 3340 | 60 | 40 | 6 | 3583 | 3577 | 218 | 22 | 190 | 1.4 | 25 | 4035.6 | 157 | 3118.8 | 126 | 6700 |
| HJB.50.4030 | HJW.50.4030 | HJN.50.4030 | 4370 | 3690 | 240 | 4270 | 3790 | 66 | 40 | 6 | 4033 | 4027 | 218 | 22 | 190 | 1.4 | 22 | 4520.6 | 201 | 3558.3 | 163 | 7700 |
| HJB.50.4030 | HJW.50.4030A | HJN.50.4030A | 4370 | 3690 | 240 | 4270 | 3790 | 66 | 40 | 6 | 4033 | 4027 | 218 | 22 | 190 | 1.4 | 28 | 4522.4 | 157 | 3549 | 128 | 7700 |
| HJB.50.4540 | HJW.50.4540 | HJN.50.4540 | 4860 | 4210 | 240 | 4760 | 4310 | 72 | 40 | 6 | 4543 | 4537 | 218 | 22 | 190 | 1.4 | 22 | 4983.1 | 222 | 4042.2 | 185 | 8760 |
| HJB.50.4540 | HJW.50.4540A | HJN.50.4540A | 4860 | 4210 | 240 | 4760 | 4310 | 72 | 40 | 6 | 4543 | 4537 | 218 | 22 | 190 | 1.4 | 30 | 4992.9 | 162 | 4042.4 | 136 | 8760 |