loading
| Модель: | 4 -й контактный контактный шарик подшипник - серия HS |
|---|---|
| Марка продукта: | MBY |
| Количество: | |
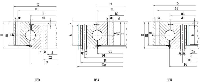
| Несущий Код | Конфигурация Размер | Монтаж Размер | Структура Размер | Зубы Данные | ||||||||||||
| | | | ||||||||||||||
| нет зубы | внешний зубы | внутренний зубы | D | d | H | D1 | D2 | n | Ø | не | D3 | D1 | H1 | h | b | x |
| Дл | Дл | Дл | мм | мм | мм | мм | мм | мм | мм | мм | мм | мм | мм | мм | ||
| мм | мм | мм | | | | | | | | | | | | | ||
| HSB.25.625 | HSW.25.625 | HSN.25.625 | 725 | 525 | 80 | 685 | 565 | 18 | 18 | 3 | 626 | 624 | 68 | 12 | 60 | 1.4 |
| HSB.25.625 | HSW.25.625A | HSN.25.625A | 725 | 525 | 80 | 685 | 565 | 18 | 18 | 3 | 626 | 624 | 68 | 12 | 60 | 1.15 |
| HSB.25.720 | HSW.25.720 | HSN.25.720 | 820 | 620 | 80 | 780 | 660 | 18 | 18 | 3 | 721 | 719 | 68 | 12 | 60 | 1.4 |
| HSB.25.720 | HSW.25.720A | HSN.25.720A | 820 | 620 | 80 | 780 | 660 | 18 | 18 | 3 | 721 | 719 | 68 | 12 | 60 | 1 |
| HSB.30.1020 | HSW.30.1020 | HSN.30.1020 | 1170 | 875 | 95 | 1120 | 930 | 24 | 22 | 4 | 1021 | 1018 | 80 | 15 | 70 | 1.4 |
| HSB.30.1020 | HSW.30.1020A | HSN.30.1020A | 1170 | 875 | 95 | 1120 | 930 | 24 | 22 | 4 | 1021 | 1018 | 80 | 15 | 70 | 1.15 |
| HSB.30.1220 | HSW.30.1220 | HSN.30.1220 | 1365 | 1075 | 120 | 1310 | 1130 | 36 | 24 | 6 | 1221 | 1218 | 105 | 15 | 90 | 1.4 |
| HSB.30.1220 | HSW.30.1220A | HSN.30.1220A | 1365 | 1075 | 120 | 1310 | 1130 | 36 | 24 | 6 | 1221 | 1218 | 105 | 15 | 90 | 1 |
| HSB.30.820 | HSW.30.820 | HSN.30.820 | 940 | 705 | 95 | 893 | 749 | 24 | 20 | 4 | 821 | 818 | 83 | 12 | 70 | 1.4 |
| HSB.30.820 | HSW.30.820A | HSN.30.820A | 940 | 705 | 95 | 893 | 749 | 24 | 20 | 4 | 821 | 818 | 83 | 12 | 70 | 1 |
| HSB.30.880 | HSW.30.880 | HSN.30.880 | 1000 | 760 | 95 | 956 | 800 | 24 | 20 | 4 | 881 | 878 | 83 | 12 | 70 | 1.15 |
| HSB.30.880 | HSW.30.880A | HSN.30.880A | 1000 | 760 | 95 | 956 | 800 | 24 | 20 | 4 | 881 | 878 | 83 | 12 | 70 | 1 |
| HSB.35.1250 | HSW.35.1225A | HSN.35.1250A | 1400 | 1090 | 120 | 1350 | 1150 | 36 | 26 | 6 | 1251 | 1248 | 105 | 15 | 90 | 1 |
| HSB.35.1250 | HSW.35.1250 | HSN.35.1250 | 1400 | 1090 | 120 | 1350 | 1150 | 36 | 26 | 6 | 1251 | 1248 | 105 | 15 | 90 | -0.35 |
| HSB.35.1435 | HSW.35.1435 | HSN.35.1435 | 1595 | 1278 | 120 | 1535 | 1335 | 36 | 26 | 6 | 1436 | 1433 | 105 | 15 | 90 | 1.15 |
| HSB.35.1435 | HSW.35.1435A | HSN.35.1435A | 1595 | 1278 | 120 | 1535 | 1335 | 36 | 26 | 6 | 1436 | 1433 | 105 | 15 | 90 | 1 |
| HSB.35.1540 | HSW.35.1450A | HSN.35.1540A | 1720 | 1360 | 140 | 1660 | 1420 | 42 | 26 | 6 | 1541 | 1538 | 122 | 18 | 110 | 1.15 |
| HSB.35.1540 | HSW.35.1540 | HSN.35.1540 | 1720 | 1360 | 140 | 1660 | 1420 | 42 | 26 | 6 | 1541 | 1538 | 122 | 18 | 110 | 1.4 |
| HSB.35.1700 | HSW.35.1700 | HSN.35.1700 | 1875 | 1525 | 140 | 1815 | 1585 | 42 | 29 | 6 | 1701 | 1698 | 122 | 18 | 110 | 1.15 |
| HSB.35.1700 | HSW.35.1700A | HSN.35.1700A | 1875 | 1525 | 140 | 1815 | 1585 | 42 | 29 | 6 | 1701 | 1698 | 122 | 18 | 110 | 1.15 |
| HSB.40.1880 | HSW.40.1880 | HSN.40.1880 | 2100 | 1665 | 160 | 2030 | 1740 | 48 | 32 | 6 | 1881 | 1878 | 140 | 20 | 115 | 1.4 |
| HSB.40.1880 | HSW.40.1880A | HSN.40.1880A | 2100 | 1665 | 160 | 2030 | 1740 | 48 | 32 | 6 | 1881 | 1878 | 140 | 20 | 115 | 1.15 |
| HSB.40.2115 | HSW.40.2115 | HSN.40.2115 | 2325 | 1900 | 160 | 2245 | 1980 | 48 | 32 | 6 | 2116 | 2113 | 140 | 20 | 115 | 1.4 |
| HSB.40.2115 | HSW.40.2115A | HSN.40.2115A | 2325 | 1900 | 160 | 2245 | 1980 | 48 | 32 | 6 | 2116 | 2113 | 140 | 20 | 115 | 1.15 |
| HSB.40.2370 | HSW.40.2370 | HSN.40.2370 | 2600 | 2146 | 180 | 2520 | 2220 | 48 | 32 | 6 | 2371 | 2368 | 158 | 22 | 130 | 1.4 |
| HSB.40.2370 | HSW.40.2370A | HSN.40.2370A | 2600 | 2146 | 180 | 2520 | 2220 | 48 | 32 | 6 | 2371 | 2368 | 158 | 22 | 130 | 1.15 |
| HSB.40.2600 | HSW.40.2600 | HSN.40.2600 | 2835 | 2365 | 180 | 2750 | 2450 | 54 | 36 | 6 | 2601 | 2598 | 158 | 22 | 130 | 1.4 |
| HSB.40.2600 | HSW.40.2600A | HSN.40.2600A | 2835 | 2365 | 180 | 2750 | 2450 | 54 | 36 | 6 | 2601 | 2598 | 158 | 22 | 130 | 1.15 |
| HSB.50.2820 | HSW.50.2820 | HSN.50.2820 | 3085 | 2555 | 200 | 3000 | 2640 | 54 | 36 | 6 | 2822 | 2818 | 178 | 22 | 150 | 1.4 |
| HSB.50.2820 | HSW.50.2820A | HSN.50.2820A | 3085 | 2555 | 200 | 3000 | 2640 | 54 | 36 | 6 | 2822 | 2818 | 178 | 22 | 150 | 1.15 |
| HSB.50.3120 | HSW.50.3120 | HSN.50.3120 | 3400 | 2840 | 200 | 3310 | 2930 | 54 | 36 | 6 | 3122 | 3118 | 178 | 22 | 150 | 1.4 |
| HSB.50.3120 | HSW.50.3120A | HSN.50.3120A | 3400 | 2840 | 200 | 3310 | 2930 | 54 | 36 | 6 | 3122 | 3118 | 178 | 22 | 150 | 1.4 |
| HSB.50.3580 | HSW.50.3580 | HSN.50.3580 | 3920 | 3240 | 240 | 3820 | 3340 | 60 | 40 | 6 | 3582 | 3578 | 218 | 22 | 190 | 1.4 |
| HSB.50.3580 | HSW.50.3580A | HSN.50.3580A | 3920 | 3240 | 240 | 3820 | 3340 | 60 | 40 | 6 | 3582 | 3578 | 218 | 22 | 190 | 1.4 |
| HSB.50.4030 | HSW.50.4030 | HSN.50.4030 | 4370 | 3690 | 240 | 4270 | 3790 | 66 | 40 | 6 | 4032 | 4028 | 218 | 22 | 190 | 1.4 |
| HSB.50.4030 | HSW.50.4030A | HSN.50.4030A | 4370 | 3690 | 240 | 4270 | 3790 | 66 | 40 | 6 | 4032 | 4028 | 218 | 22 | 190 | 1.4 |
| HSB.50.4540 | HSW.50.4540 | HSN.50.4540 | 4860 | 4210 | 240 | 4760 | 4310 | 72 | 40 | 6 | 4542 | 4538 | 218 | 22 | 190 | 1.4 |
| HSB.50.4540 | HSW.50.4540A | HSN.50.4540A | 4860 | 4210 | 240 | 4760 | 4310 | 72 | 40 | 6 | 4542 | 4538 | 218 | 22 | 190 | 1.4 |