Добро пожаловать в MBY
Вы здесь: Дом / Игольчатые роликоподшипники / Опорные катки вилочного типа с осевой направляющей / Опорные катки вилочного типа с осевой направляющей

ТОВАРЫ

loading

facebook sharing button
twitter sharing button
line sharing button
wechat sharing button
linkedin sharing button
pinterest sharing button
sharethis sharing button
Модель: Трековые ролики типа и яж с осевым руководством
Марка продукта: MBY
Количество:

Опорные катки вилочного типа с осевой направляющей

Описание продукта
Иглетные подшипники MBY® - это роликовые подшипники с цилиндрическими роликами, которые имеют маленький диаметр, но длинный по длине (L/D≥2,5). Иглетные подшипники MBY® имеют высокую радиальную нагрузку. А поскольку они имеют низкий поперечный сечение, подшипники иглы, подшипники, чрезвычайно подходящие для подшипников, где радиальное пространство ограничено.

MBY® предлагает широкий ассортимент игловых роликов, включая игольчатые сборы и клетки, нарисованную чашку и сплошные игольчатые подшипники. Они также могут быть указаны в качестве последователей CAM и отслеживания роликовых подшипников по приложениям. Основные рынки приложения включают автомобильную, потребительскую продукцию и общие промышленные товары.


图片 3

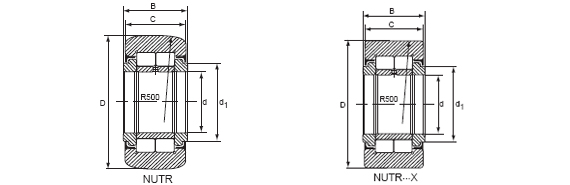
Примечание:Проведите влево или вправо, чтобы просмотреть полный стол!
Вал Диаметр Несущий Designation а также Примерно Масса Граница Dimensions Базовый Нагрузка Рейтинг  Ограничение Скорость
С Ир Масса d D B C d1 Cr Динамика Коррекция Статический Смазка 
мм g мм N оборотный
35 Nutr15 99 15 35 19 18 20 20500 24500 6500
42 Nutr15 158 15 42 19 18 20 20500 24500 6500
40 Nutr17 147 17 40 21 20 22 21800 28500 5500
47 Nutr17 220 17 47 21 20 22 21800 28500 5500
47 Nutr20 245 20 47 25 24 27 36900 48900 4200
35 Nutr202x 0 15 35 19 18 19.5 20500 24500 6500
52 Nutr20 321 20 52 25 24 27 36900 48900 4200
52 Nutr25 281 25 52 25 24 31 40800 58500 3400
62 Nutr25 450 25 62 25 24 31 40800 58500 3400
62 Nutr30 465 30 62 29 28 38 56800 77500 2600
72 Nutr30 697 30 72 29 28 38 56800 77500 2600
80 Nutr3080 0 30 80 31 30 44 56800 77500 2500
72 Nutr35 630 35 72 29 28 44 63000 91000 2100
80 Nutr35 836 35 80 29 28 44 63000 91000 2100
80 Nutr40 816 40 80 32 30 51 87900 108000 1600
90 Nutr40 1129 40 90 32 30 51 87900 108000 1600
85 Nutr45 883 45 85 32 30 55 93600 119000 1400
100 Nutr45 1396 45 100 32 30 55 93600 119000 1400
90 Nutr50 950 50 90 32 30 60 98900 140000 1300
110 Nutr50 1690 50 110 32 30 60 98900 140000 1300