Добро пожаловать в MBY
Вы здесь: Дом / Подшипники ролика гусеницы / Опорные катки с бугелем — серия NUTR / Опорные катки с бугелем — серия NUTR

ТОВАРЫ

loading

facebook sharing button
twitter sharing button
line sharing button
wechat sharing button
linkedin sharing button
pinterest sharing button
sharethis sharing button
Модель: Трековые ролики типа и яж - серия питательных
Марка продукта: MBY
Количество:

Опорные катки с бугелем — серия NUTR

Описание продукта
Роликовые подшипники MBY включают в себя мачтные ролики и шкивы цепи, а также ролики Track Type York. По сути, они представляют собой цилиндрические ролики или игольчатые роликовые подшипники, которые имеют толстостенную внешнюю расу.
Шкивы доступны с плоской поверхностью бегуна или коронованной, которая может быть разработана в соответствии с применением клиента. Они могут катиться прямо на лотке под тяжелой нагрузкой и ударной нагрузкой. Они смазаны на всю жизнь. В нормальных условиях эксплуатации они не содержат технического обслуживания, в то время как их следует повторно смазать в тяжелых рабочих условиях, чтобы продлить рабочий срок службы.


132
 
Примечание:Проведите влево или вправо, чтобы просмотреть полный стол!
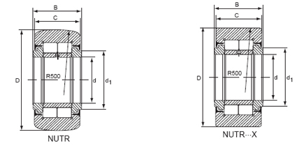
MBY Несущий Designation Вал Диаметр Граница Dimensions Базовый Нагрузка Рейтинг Ограничение Скорость
Без Ир Масса d D B C D1 Cr  Коррекция  Масло
Динамика Статический

g мм мм N оборотный
Nutr15 99 35 15 35 19 18 20 20500 24500 6500
Nutr15 158 42 15 42 18 18 20 20500 24500 6500
Nutr17 147 40 17 40 21 20 22 21800 28500 5500
Nutr17 220 47 17 47 21 20 22 21800 28500 5500
Nutr20 245 47 20 47 25 24 27 36900 48900 4200
Nutr20 321 52 20 52 25 24 27 36900 48900 4200
Nutr202x
35 15 35 19 18 19.5 20500 24500 6500
Nutr25 281 52 25 52 25 24 31 40800 58500 3400
Nutr25 450 62 25 62 25 24 31 10800 58500 3400
Nutr30 465 62 30 62 29 28 38 56800 77500 2600
Nutr30 697 72 30 72 29 28 38 56800 77500 2600
Nutr30
80 30 80 31 30 44 56800 77500 2500
Nutr35 630 72 35 72 29 28 44 63000 91000 2100
Nutr35 836 80 35 80 29 28 44 63000 91000 2100
Nutr40 816 80 40 80 32 30 51 87900 108000 1600
Nutr40 1129 90 40 90 32 30 51 87900 108000 1600
Nutr45 883 85 45 85 32 30 55 93600 119000 1400
Nutr45 1396 100 45 100 32 30 55 93600 119000 1400
Nutr50 950 90 50 90 32 30 60 98900 140000 1300
Nutr50 1690 110 50 110 32 30 60 98900 14000 1300