Добро пожаловать в MBY
Вы здесь: Дом / Подшипники ролика гусеницы / Опорные катки с бугелем — серия RSTO / Опорные катки с бугелем — серия RSTO

ТОВАРЫ

loading

facebook sharing button
twitter sharing button
line sharing button
wechat sharing button
linkedin sharing button
pinterest sharing button
sharethis sharing button
Модель: Track Rollers Type Yoke - серия RSTO
Марка продукта: MBY
Количество:

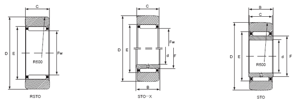
Опорные катки с бугелем — серия RSTO

Описание продукта
Роликовые подшипники MBY включают в себя мачтные ролики и шкивы цепи, а также ролики Track Type York. По сути, они представляют собой цилиндрические роликовые или игольчатые роликовые подшипники, которые имеют толстостенную внешнюю гонку. Шкины доступны с плоской поверхностью бегуна или коронованным, которые можно спроектировать в соответствии с применением клиента. Они могут катиться прямо на лотке под тяжелой нагрузкой и ударной нагрузкой. Они смазаны на всю жизнь. В нормальных условиях эксплуатации они не содержат технического обслуживания, в то время как их следует повторно смазать в тяжелых рабочих условиях, чтобы продлить рабочий срок службы.


134

 
Примечание:Проведите влево или вправо, чтобы просмотреть полный стол!
Вал Диаметр MBY Несущий Designation Граница Dimensions Базовый Нагрузка Рейтинг
Ограничение Скорость
Без Ир Масса С Ир Масса D d B C E Cr  Коррекция  CW Корова Смазка
Фв Динамика Статический
мм
g
g мм N оборотный
30 Rsto 10 42 Сто 10 49 30 10 14 12 11.8 20 10200 10500 8400 9200 11000
30 Rsto 10x 42 Сто 10x 49 30 10 14 12 11.8 20 10200 10500 8000 8800 11000
32 Rsto 12 49 Сто 12 57 32 12 16 12 11.8 22 11300 12300 8900 10100 9000
32 Rsto 12x 49 Сто 12x 57 32 12 16 12 11.8 22 11300 12300 8500 9600 9000
35 Rsto 15 50 Сто 15 63 35 15 20 12 11.8 26 13200 16000 9100 10700 6500
35 Rsto 15x 50 Сто 15x 63 35 15 20 12 11.8 26 13200 16000 8700 9900 6500
40 Rsto 17 88 Сто 17 107 40 17 22 16 15.8 29 19800 25300 14300 17700 5500
40 Rsto 17x 88 Сто 17x 107 40 17 22 16 15.8 29 19800 25300 12500 15700 5500
47 Rsto 20 130 Сто 20 152 47 20 25 16 15.8 32 20800 27800 16200 21500 4700
47 Rsto 20x 130 Сто 20x 152 47 20 25 16 15.8 32 20800 27800 15000 19900 4700
52 Rsto 25 150 Сто 25 177 52 25 30 16 15.8 37 23000 33400 16500 22900 3600
52 Rsto 25x 150 Сто 25x 177 52 25 30 16 15.8 37 23000 33400 14000 20900 3600
62 Rsto 30 255 Сто 30 308 62 30 38 20 19.8 46 35200 56700 23300 35000 2500
62 Rsto 30x 255 Сто 30x 308 62 30 38 20 19.8 46 35200 56700 21800 33000 2500
72 Rsto 35 375 Сто 35 441 72 35 42 20 19.8 50 35800 58800 26000 41000 2200
72 Rsto 35x 375 Сто 35x 441 72 35 42 20 19.8 50 35800 58800 24500 38900 2200
80 Rsto 40 420 Сто 40 530 80 40 50 20 19.8 58 35200 61800 24000 39000 1700
80 Rsto 40x 420 Сто 40x 530 80 40 50 20 19.8 58 35200 61800 22500 36500 1700
85 Rsto 45 453 Сто 45 576 85 45 55 20 19.8 63 38900 73900 25500 43000 1500
85 Rsto 45x 453 Сто 45x 576 85 45 55 20 19.8 63 38900 73900 24000 41500 1500
90 Rsto 50 481 Сто 50 617 90 50 60 20 19.8 68 43300 84800 26000 46500 1300
90 Rsto 50x 481 Сто 50x 617 90 50 60 20 19.8 68 43300 84800 22800 44000 1300
16 Rsto 5tn 8.5

16
7
7.8 10 2800 2600 2550 2550 23000
16 Rsto 5tnx 8.5

16
7
7.8 10 2800 2600 1990 1990 23000
19 Rsto 6tn 12.5 Сто 6tn 17 19 6 10 10 9.8 13 4700 5450 3750 4500 20000
19 Rsto 6tnx 12.5 Сто 6tnx 17 19 6 10 10 9.8 13 4700 5450 3050 4000 20000
24 Rsto 8tn 21 Сто 8tn 26 24 8 12 10 9.8 15 4800 6000 4200 5500 16000
24 Rsto 8tnx 21 Сто 8tnx 26 24 8 12 10 9.8 15 4800 6000 3000 5000 16000