Добро пожаловать в MBY
Вы здесь: Дом / Игольчатые роликоподшипники / Осевые игольчатые ролики и сепараторы в сборе / Осевые игольчатые ролики и сепараторы в сборе

ТОВАРЫ

loading

facebook sharing button
twitter sharing button
line sharing button
wechat sharing button
linkedin sharing button
pinterest sharing button
sharethis sharing button
Модель: Аксиальный ролик и клетки и клетки
Марка продукта: MBY
Количество:

Осевые игольчатые ролики и сепараторы в сборе

Описание продукта
Иглетные подшипники MBY® - это роликовые подшипники с цилиндрическими роликами, которые имеют маленький диаметр, но длинный по длине (L/D≥2,5). Иглетные подшипники MBY® имеют высокую радиальную нагрузку. А поскольку они имеют низкий поперечный сечение, подшипники иглы, подшипники, чрезвычайно подходящие для подшипников, где радиальное пространство ограничено.

MBY® предлагает широкий ассортимент игловых роликов, включая игольчатые сборы и клетки, нарисованную чашку и сплошные игольчатые подшипники. Они также могут быть указаны в качестве последователей CAM и отслеживания роликовых подшипников по приложениям. Основные рынки приложения включают автомобильную, потребительскую продукцию и общие промышленные товары.


图片 7

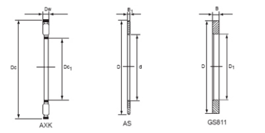
Примечание:Проведите влево или вправо, чтобы просмотреть полный стол!
Вал Диаметр Несущий Designation Масса Граница Dimensions Базовый Нагрузка Рейтинг Ограничение
Скорость
Округ Колумбия1 Округ Колумбия DW Cr Динамика Коррекция Статический Масло
мм g мм N оборотный
4 AXK0414TN 0.7 4 14 2 4380 7500 18000
5 AXK0515TN 0.8 5 15 2 4680 9100 17000
6 AXK0619TN 1 6 19 2 6740 15400 16000
8 AXK0821TN 2 8 21 2 7750 19000 15000
100 AXK100135 104 100 135 4 90500 559500 2000
10 AXK1024 3 10 24 2 9150 24500 14000
110 AXK110145 122 110 145 4 96500 617500 1900
120 AXK120155 131 120 155 4 101500 679600 1700
12 AXK1226 3 12 26 2 9860 28600 13000
130 AXK130170 205 130 170 5 132400 838900 1600
140 AXK140180 219 140 180 5 137200 899600 1500
150 AXK150190 232 150 190 5 142800 959000 1400
15 AXK1528 4 15 28 2 11200 35500 11000
160 AXK160200 246 160 200 5 147600 1015000 1300
17 AXK1730 4 17 30 2 11800 38600 10000
20 Axk2035 5 20 35 2 12900 45600 8500
25 AXK2542 7 25 42 2 13800 57800 7000
30 AXK3047 8 30 47 2 15600 69500 6000
35 AXK3552 10 35 52 2 16900 80100 5500
40 AXK4060 16 40 60 3 27500 113500 4700
45 AXK4565 18 45 65 3 29050 127600 4300
50 AXK5070 20 50 70 3 31500 138000 3900
55 AXK5578 28 55 78 3 37400 185000 3500
60 AXK6085 33 60 85 3 43900 232500 3200
65 AXK6590 35 65 90 3 45800 254600 3000
70 AXK7095 60 70 95 4 53600 254400 2900
75 AXK75100 61 75 100 4 54500 264600 2700
80 AXK80105 63 80 105 4 55600 278500 2600
85 AXK85110 67 85 110 4 57500 288000 2400
90 AXK90120 86 90 120 4 72500 401000 2300
22.22 NTA-1423 5 22.22 36.5 1.984 10400 40800 50000
50.8 NTA-3244 18 50.8 69.85 1.984 19500 115130 56000
7.92 NTA-512 2 7.92 19.5 1.984 4600 4100 7000