Добро пожаловать в MBY
Вы здесь: Дом / Комбинированные подшипники / Регулируемые комбинированные подшипники с винтом / Регулируемые комбинированные подшипники с винтом

ТОВАРЫ

loading

facebook sharing button
twitter sharing button
line sharing button
wechat sharing button
linkedin sharing button
pinterest sharing button
sharethis sharing button
Модель: Регулируемые комбинированные подшипники с винтом
Марка продукта: MBY
Количество:

Регулируемые комбинированные подшипники с винтом

Описание продукта
Комбинированные подшипники MBY особенно подходят для колонн для подъема грузовиков и всех других конвальных систем, которые требуют профилей. Они могут позволить себе нагрузку как из осевого, так и из радиального направления одновременно. С оптимизированной конструкцией можно сохранить пространство для крепления, и использование также проще, что просто для того, чтобы приваривать шарнир в пластину крепления, и нет необходимости демонтировать весь набор. Радиальные подшипники особенно подходят для систем автоматизации и сдвига, которые не требуют тяжелых осевых нагрузок, и они поступают из комбинированных подшипников и сохраняют те же особенности строительства. Применение клиента, поверхность OD может быть спроектирована как плоская. коронованные и другие особенные.

Благодаря оптимальной конструкции и высоким стандартным материалам MBY, комбинированные подшипники могут поддерживать тяжелые нагрузки и ударные нагрузки и расширены продолжительность жизни. Комбинированные подшипники MBY предназначены для легкой установки и технического обслуживания. Специальная система смазки позволяет простой и надежной повторной смазке. MBY производит весь спектр комбинированных подшипников, как стандартного проектирования, так и нестандартного дизайна. Кроме того, мы можем разработать комбинированные подшипники в соответствии с вашим применением, образец или рисунком. MBY Design Engineering и помощь приложения являются частью наших услуг с добавленной стоимостью.

Группа подшипников MBY может обеспечить серию комбинированных подшипников:
Стандартные комбинированные подшипники
Регулируемые комбинированные подшипники
Комбинированные подшипники для \"i \" Стандартные профили
Регулируемые комбинированные подшипники для тяжелой промышленности
Jumbo объединенный подшипник
Регулируемые комбинированные подшипники с эксцентричным штифтом
Высокоскоростные комбинированные подшипники
Регулируемые комбинированные подшипники с винтом
Регулируемые комбинированные подшипники с пластиковым осевым валиком
Регулируемые комбинированные подшипники для стальной промышленности
Стандартные радиальные подшипники
Точный радиальный подшипник



112

 
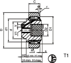
Примечание:Проведите влево или вправо, чтобы просмотреть полный стол!
Несущий Код Hmin  Hmax  H1min  H1max  H2  D1  C1  D1  R1  V1  Сопутствующий  Калифорнийский  Коа  Смазка  Масса  Ссылка индекс
мм мм мм мм мм мм мм мм мм мм мм степень мм мм мм мм мм мм КН КН КН КН Rev/Min Кг Италия
Amby964 (F) 45 88.9 30 48.5 51 36.5 39 12 68 21 59 20 4 700 700 4 M6x1 M10 68 72 15 15 700 1.43 Мистер 964
Amby965 (C, F) 50 101.9 28 46 48.5 33 35.5 13 77 24 67 20 4 850 700 2.5 M6x1 M10 73 82 18 19 700 1.7 Мистер 965
Amby966 (f) 55 107.7 31 53.5 56.5 41.5 44.5 12 82 30 71 20 4 1000 700 6 M6x1 M16 81 95 31 36 650 2.45 Мистер 966
Amby967 (f) 60 123 33 61.5 64.5 49.5 52.5 12 94 30 80 15 4 1000 1000 6.5 M6x1 M16 110 132 31 36 500 3.5 Мистер 967
Amby968 (f) 60 149 43 75.5 79 58.5 62 17 116 45 103 15 4 1000 1000 6.8 M6x1 M16 151 192 68 71 400 6.5 Мистер 968