
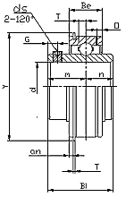
| Несущий Нет. | Dimensions | Базовый Динамика | Базовый Статический | Масса | |||||||
| d | D | B | Нагрузка Рейтинг | Нагрузка Рейтинг | |||||||
| мм | дюйм | мм | дюйм | мм | LBF. | N | LBF. | N | фунт | кг | |
| SC204 | 20 | 1.8504 | 47 | 0.5512 | 14 | 2882 | 12840 | 1496 | 6660 | 0.24 | 0.11 |
| SC205 | 25 | 2.0472 | 52 | 0.5006 | 15 | 3146 | 14010 | 1760 | 7840 | 0.4 | 0.18 |
| SC206 | 30 | 2.4409 | 62 | 0.6299 | 16 | 4356 | 19400 | 2530 | 11270 | 0.44 | 0.2 |
| SC207 | 35 | 2.8346 | 72 | 0.6693 | 17 | 5764 | 25680 | 3454 | 15390 | 0.66 | 0.3 |
| SC208 | 40 | 3.1496 | 80 | 0.7087 | 18 | 6534 | 29110 | 4004 | 17840 | 0.81 | 0.37 |
| SC209 | 45 | 3.3465 | 85 | 0.748 | 19 | 7326 | 32630 | 4554 | 20290 | 0.9 | 0.41 |
| SC210 | 50 | 3.5433 | 90 | 0.7874 | 20 | 7876 | 35080 | 5214 | 23230 | 1.01 | 0.46 |
| SC211 | 55 | 3.937 | 100 | 0.8268 | 21 | 9724 | 43320 | 6600 | 29400 | 1.34 | 0.61 |
| SC212 | 60 | 4.3307 | 110 | 0.8661 | 22 | 10836 | 47820 | 8108 | 35280 | 1.6 | 0.2 |
| SC304 | 20 | 2.0472 | 52 | 0.5006 | 15 | 3564 | 15880 | 1760 | 7840 | 0.31 | 0.14 |
| SC305 | 25 | 2.4409 | 62 | 0.6693 | 17 | 4620 | 20580 | 2530 | 11270 | 0.53 | 0.24 |
| SC306 | 30 | 2.8346 | 72 | 0.748 | 19 | 5984 | 26660 | 3366 | 14990 | 0.77 | 0.35 |
| SC307 | 35 | 3.1496 | 80 | 0.8268 | 21 | 7480 | 33320 | 4312 | 19210 | 1.01 | 0.46 |
| SC308 | 40 | 3.5433 | 90 | 0.8055 | 23 | 9130 | 40670 | 5390 | 24010 | 1.41 | 0.64 |
| SC309 | 45 | 3.937 | 100 | 0.9843 | 25 | 10956 | 48800 | 6622 | 29500 | 1.85 | 0.84 |
| SC310 | 50 | 4.3307 | 110 | 1.063 | 27 | 13904 | 61940 | 8580 | 38220 | 2.42 | 1.1 |