Добро пожаловать в MBY
Вы здесь: Дом / Блоки подушек / Серия CSB / Серия CSB

ТОВАРЫ

loading

facebook sharing button
twitter sharing button
line sharing button
wechat sharing button
linkedin sharing button
pinterest sharing button
sharethis sharing button
Модель: Серия CSB
Марка продукта: MBY
Количество:

Серия CSB

Описание продукта
Подушечные блоки MBY®, наиболее часто используемые типы монтированных единиц, представляют собой корпусы, которые имеют подшипник.
Они предназначены для обеспечения поддержки вала, где монтажная поверхность параллельна оси вала. Обычно производится из чугуна или литой стали,
Жилье с подушкой имеет положения, позволяющие прилегать к прилегающему количеству корпуса.

Подушечные блоки MBY® поставляются в различных конфигурациях и обычно устанавливаются в более чистых средах и, как правило, предназначены для меньших нагрузок общей отрасли.
Подушечные блоки MBY® широко используются в сельскохозяйственной машине, конвейерной системе, строительных машинах и т. Д.
Подшипники вставки представляют собой подшипники с глубоким шариком с широкими внутренними кольцами, он вставляет в корпус Работать как подшипники единицы.

Корпус в основном отличается или прессованная сталь. Блок подшипника компактен в конструкции с идеальными уплотнительными устройствами.
Они могут выровнять с легкими во время работы и могут быть удобно смонтированы или спешифицированы.

60

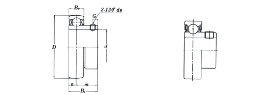
Примечание:Проведите влево или вправо, чтобы просмотреть полный стол!
Несущий Нет. Заседание Диапазон Размеры (мм) Базовый  Базовый  Масса (кг)
Динамика  Статический 
Быть D Биографический r n m G дюймовый Нагрузка  Нагрузка 
d Рейтинг  Рейтинг 
(в) (мм) (N) (N)
CSB201-8
12 0.4724 1.5748 0.8661 0.0393 0.2362 0.63 0.1772 10-32UHF 780 454 0.1
CSB204-12
20 0.551214 1.850447 0.984025 0,05901,5 0.27567 0.708018 0,17724,5 1/4-28M6 1010 630 0.12
CSB205-14 7/8 25 0.5906 2.0472 1.063 0.059 0.2953 0.7677 0.1969 2001/4/28 1100 710 0.18
CSB206-17 1-1/16 30 0.6299 2.4409 1.1811 0.059 0.315 0.8661 0.217 2001/4/28 1550 1020 0.28
CSB207-20 1-1/4 35 0.6693 2.8346 1.2598 0.0787 0.3346 0.9252 0.2362 5/16-24 2030 1400 0.41
CSB208-24 1-1/2 40 0.7087 3.1496 1.3386 0.0787 0.3543 0.9843 0.315 5/16-24 2300 1600 0.48
CSB209-26 1-5/8  45 0.748 0.3465 1.622 0.0787 0.4016 1.2205 0.315 5/16-24 2570 1810 0.8
CSB210-30 1-7/8 50 0.7474 3.5433 1.7126 0.0787 0.4291 1.2835 0.3543 5/16-24 2760 2010 0.87
CSB211-32 2 55 0.8268 3.937 1.7835 0.0984 0.4646 1.3189 0.3937 5/16-24 3400 2550 1.1
CSB212-36 2-1/4 60 0.8661 4.3307 2.1142 0.0984 0.5866 1.5276 0.3937 2003/8/24 4100 3150 1.3