Добро пожаловать в MBY
Вы здесь: Дом / Блоки подушек / Серия SB2, SB2G, SA2, SA2G / Серия SB2, SB2G, SA2, SA2G

ТОВАРЫ

loading

facebook sharing button
twitter sharing button
line sharing button
wechat sharing button
linkedin sharing button
pinterest sharing button
sharethis sharing button
Модель: SB2, SB2G, SA2, SA2G Series
Марка продукта: MBY
Количество:

Серия SB2, SB2G, SA2, SA2G

Описание продукта
Подушечные блоки MBY®, наиболее часто используемые типы монтированных единиц, представляют собой корпусы, которые имеют подшипник.
Они предназначены для обеспечения поддержки вала, где монтажная поверхность параллельна оси вала.
Обычно изготовленный из чугуна или литой стали, корпус с подшипником с подушкой имеет положения, позволяющие прилегать к прилегающему количеству корпуса.

Подушечные блоки MBY® поставляются в различных конфигурациях и обычно устанавливаются в более чистых средах и, как правило, предназначены для меньших нагрузок общей отрасли.
Подушечные блоки MBY® широко используются в сельскохозяйственной машине, конвейерной системе, строительных машинах и т. Д.
Подшипники вставки представляют собой подшипники с глубоким шариком с широкими внутренними кольцами, он вставляет в корпус Работать как подшипники единицы. 

Корпус в основном отличается или прессованная сталь.
Блок подшипника компактен в конструкции с идеальными уплотнительными устройствами.
Они могут выровнять с легкими во время работы и могут быть удобно смонтированы или спешифицированы.


63

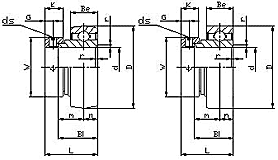
Примечание:Проведите влево или вправо, чтобы просмотреть полный стол!
Несущий Нет. Заседание Диапазон из несущий  Размеры (мм) Базовый  Базовый  Масса 
d Динамика  Статический  (кг)

Нагрузка  Нагрузка 

Рейтинг Рейтинг
(в) (мм) D C h S B 1 G 1 0 3 1 дюймовый нагрузка рейтинг нагрузка рейтинг Сана Сб
(MM) (Inunf)
201-8
12 40 12 3.6 6 22 6 4 28.6 19.1 13.5 28.6 M5x0.8 7350 4780 0.13 0.1
204-12 3/4 20 47 14 4.4 7 25 7 5 31 21.5 13.5 33.3 M6x0,75 9880 6650 0.18 0.15
205-14 7/8 250 52 15 4.3 7.5 27 7.5 5.5 31 21.5 13.5 38.1 M6x0,75 10800 7880 0.22 0.18
206-18 1-1/8 300 62 16 4.8 8 30 8 6 35.7 23.8 15.9 44.5 M6x0,75 15000 11200 0.28 0.27
207-20 1-1/4 35 72 7 5.7 8.5 32 8.5 6 38.9 25.4 17.5 55.6 M8x1 19800 15200 0.5 0.42
208-24 1-1/2 40 80 18 6.2 9 34 9 8 43.7 30.2 18.3 60.3 M8x1 22800 18200 0.67 0.6
209-26 1-5/8 45 85 19 6.8 10.2 41.2 9.5 8 43.7 30.2 18.3 0 M8x1 24500 20800 0.82 0.82
210-30 1/-7/8 50 90 20 6.7 10.9 43.5 10 9 43.7 30.2 18.3 69.9 M8x1 27000 23200 0.85 0.88
211-32 2 55 100 21 7 11.8 45.3 10.5 10 48.4 32.5 20.7 76.2 M10x1.25 33500 29200 1.18 1.1
212-36 2-1/4 60 110 22 7.6 14.9 53.7 11 10 53.1 37.1 22.3 84.2 M10x1.25 42000 31000 0.98 1.3