Добро пожаловать в MBY
Вы здесь: Дом / Блоки подушек / Серия SER2 / Серия SER2

ТОВАРЫ

loading

facebook sharing button
twitter sharing button
line sharing button
wechat sharing button
linkedin sharing button
pinterest sharing button
sharethis sharing button
Модель: Серия Ser2
Марка продукта: MBY
Количество:

Серия SER2

Описание продукта
Подушечные блоки MBY®, наиболее часто используемые типы монтированных единиц, представляют собой корпусы, которые имеют подшипник.
Они предназначены для обеспечения поддержки вала, где монтажная поверхность параллельна оси вала.
Обычно изготовленный из чугуна или литой стали, корпус с подшипником с подушкой имеет положения, позволяющие прилегать к прилегающему количеству корпуса.

Подушечные блоки MBY® поставляются в различных конфигурациях и обычно устанавливаются в более чистых средах и, как правило, предназначены для меньших нагрузок общей отрасли.
Подушечные блоки MBY® широко используются в сельскохозяйственной машине, конвейерной системе, строительных машинах и т. Д.

Подшипники вставки представляют собой подшипники с глубоким шариком с широкими внутренними кольцами, он вставляет в корпус Работать как подшипники единицы.
Корпус в основном отличается или прессованная сталь. Блок подшипника компактен в конструкции с идеальными уплотнительными устройствами.
Они могут выровнять с легкими во время работы и могут быть удобно смонтированы или спешифицированы.


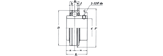
图片 3
Примечание:Проведите влево или вправо, чтобы просмотреть полный стол!
Несущий Нет. Заседание Диапазон из Несущий Dimensions (дюйм) (мм) Базовый  Базовый  Масса 
Динамика Статический  (кг)
Нагрузка  Нагрузка 
d D Биографический Быть n m E a h R J P G дюймовый Рейтинг  Рейтинг 
(в) (мм) lbf. (n) lbf. (n)
Ser204-12 3/4 20 1.8504 1.2205 0.6259 0.4527 0.7677 0.4941 0.0421 0.1575 0.1941 0.0937 2.0669 0.1969 1/4-28Unf 2830 1650 0.46
Ser205-14 7/8 25 2.0472 1.374 0.7519 0.5157 0.8582 0.6122 0.0421 0.1969 0.2374 0.0937 2.2717 0.2165 1/4-28Unf 3100 1740 0.6
Ser206-18 1-1/8 300 0 2.4409 1.5 0.874 0.626 0.874 0.676 0.065 0.2165 0.2421 0.1252 2.6575 0.2165 1/4-28Unf 4300 2500 0.86
Ser207-20 1-1/4 350 2.8346 1.689 0.937 0.689 1 0.7547 0.065 0.2165 0.2815 0.1252 3.0906 0.2559 5/16-24unf 5650 3400 1.39
Ser208-24 1-1/2 40 3.1496 1.937 1.0944 0.748 1.1889 0.9122 0.065 0.2362 0.3602 0.1252 3.4016 0.315 5/16-24unf 6400 4000 1.79
Ser209-26 1-5/8 45 3.3465 1.937 1.0944 0.748 1.189 0.9122 0.065 0.2362 0.3602 0.1252 3.5984 0.315 5/16-24unf 7200 4510 1.98
Ser210-30 1-7/8 50 3.5433 2.0315 1.1259 0.748 1.2835 0.8823 0.0949 0.2953 0.3303 0.1252 3.7913 0.3543 3/8-24unf 7700 5120 2.16
Ser211-32 2 55 3.937 2.189 1.189 0.874 1.315 0 0.0949 0.2953 0 0.1252 4.1929 0.3543 3/8-24 82000 5710 0
Ser212-36 2-1/4 60 4.3307 3.563 1.252 1 1.563 0 0.0949 0.2953 0 0.1252 4.5906 0.4134 3/8-24 88500 6330 0