Добро пожаловать в MBY
Вы здесь: Дом / Блоки подушек / Серия UCPA2 / Серия UCPA2

ТОВАРЫ

loading

facebook sharing button
twitter sharing button
line sharing button
wechat sharing button
linkedin sharing button
pinterest sharing button
sharethis sharing button
Модель: Серия UCPA2
Марка продукта: MBY
Количество:

Серия UCPA2

Описание продукта
Подушечные блоки MBY®, наиболее часто используемые типы монтированных единиц, - это корпуса, которые имеют подшипник. В корпусе с подушкой, несущей подушку, есть положения, позволяющие прилегать к прилеганию корпуса.

Подушечные блоки MBY® поставляются в различных конфигурациях и обычно монтируются в более чистых средах и, как правило, предназначены для меньших нагрузок общей отрасли. Блоки подушек MBY® широко используются в сельскохозяйственной машине, конвейерной системе, строительных машинах и т. Д.
Подшипники вставки представляют собой подшипники с глубоким шариком с широкими внутренними кольцами, он вставляет в корпус Работать как подшипники единицы. 

Корпус в основном отличается или прессованная сталь. Блок подшипника компактен в конструкции с идеальными устройствами для герметизации. Они могут выровнять с легкими во время работы и могут быть удобно смонтированы или спешифицированы.


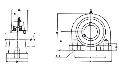
81
 
Примечание:Проведите влево или вправо, чтобы просмотреть полный стол!
Ед. изм Нет. Размеры (мм) Постучал Отверстия (м) Несущий Нет. Корпус Нет. Масса (кг)
d H L J A H0 S B F
UCPA203 17 30.2 70 48 36 57 11.5 27.4 10 M8 UC203 PA203 0
UCPA204 20 30.2 76 52 40 62 12.7 31 13 M10 UC204 PA204 0.6
UCPA205 25 36.5 84 56 38 72 14.3 34 15 M10 UC205 PA205 0.8
UCPA206 30 42.9 94 66 48 84 15.9 38.1 18 M14 UC206 PA206 1.2
UCPA207 35 47.6 110 80 48 95 17.5 42.9 20 M14 UC207 PA207 1.7
UCPA208 40 49.2 116 84 54 100 19 49.2 20 M14 UC208 PA208 2
UCPA209 45 54.2 120 90 60 108 19 49.2 25 M14 UC209 PA209 2.2
UCPA210 50 57.2 130 94 60 116 19 51.6 25 M16 UC210 PA210 2.8
UCPA211 55 63.5 140 104 66 125 22.2 55.6 25 M16 UC211 PA211 3
UCPA212 60 69.9 150 114 68 138 25.4 65.1 25 M16 UC212 PA212 4.24
UCPA213 65 76.2 160 124 70 150 25.4 65.1 25 M16 UC213 PA213 0