Добро пожаловать в MBY
Вы здесь: Дом / Блоки подушек / Серия UCPH2 / Серия UCPH2

ТОВАРЫ

loading

facebook sharing button
twitter sharing button
line sharing button
wechat sharing button
linkedin sharing button
pinterest sharing button
sharethis sharing button
Модель: Серия UCPH2
Марка продукта: MBY
Количество:

Серия UCPH2

Описание продукта
Подушечные блоки MBY®, наиболее часто используемые типы монтированных единиц, - это корпуса, которые имеют подшипник. В корпусе с подушкой, несущей подушку, есть положения, позволяющие прилегать к прилеганию корпуса.

Подушечные блоки MBY® поставляются в различных конфигурациях и обычно монтируются в более чистых средах и, как правило, предназначены для меньших нагрузок общей отрасли. Блоки подушек MBY® широко используются в сельскохозяйственной машине, конвейерной системе, строительных машинах и т. Д.
Подшипники вставки представляют собой подшипники с глубоким шариком с широкими внутренними кольцами, он вставляет в корпус Работать как подшипники единицы. 

Корпус в основном отличается или прессованная сталь. Блок подшипника компактен в конструкции с идеальными устройствами для герметизации. Они могут выровнять с легкими во время работы и могут быть удобно смонтированы или спешифицированы.


82

 
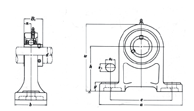
Примечание:Проведите влево или вправо, чтобы просмотреть полный стол!
Ед. изм Нет. Размеры (мм) Болт Используется (мм) Несущий Нет. Корпус Нет. Масса (кг)
d H L J A N N1 H1 H0 S B
UCPH202 15 70 127 95 40 12 16 13 101 11.5 27.4 M10 UC202 PH202 0.78
UCPH203 17 70 127 95 40 12 16 13 101 11.5 27.4 M10 UC203 Ph203 0.8
UCPH204 20 70 127 95 40 12 16 13 101 12.7 31 M10 UC204 Ph204 0.94
UCPH205 25 80 140 105 50 13 19 16 114 14.3 34 M10 UC205 Ph205 1.2
UCPH206 30 90 165 121 50 17 21 18 130 15.9 38.1 M12 UC206 Ph206 1.6
UCPH207 35 95 167 127 60 15 19 19 140 17.5 42.9 M12 UC207 Ph207 2.1
UCPH208 40 100 184 137 66 17 21 20 150 19 49.2 M12 UC208 Ph208 2.7
UCPH209 45 105 190 146 70 17 21 20 158 19 49.2 M12 UC209 PH209 3.1
UCPH210 50 110 204 159 70 19 22 22 165 19 51.6 M16 UC210 PH210 3.5
UCPH211 55 120 217 171 75 19 22 23 181 22.2 55.6 M16 UC211 PH211 4.07
UCPH212 60 130 236 186 80 19 22 24 197 25.4 65.1 M16 UC212 PH212 0
UCPH213 65 140 258 203 85 23 28 26 213 25.4 65.1 М20 UC213 PH213 0
UCPH214 70 150 266 210 90 23 28 27 227 30.2 74.6 М20 UC214 PH214 0
UCPH215 75 160 274 217 95 23 28 28 240 33.3 77.8 М20 UC215 PH215 0
UCPH216 80 170 290 232 100 24 28 30 256 33.3 82.6 М20 UC216 PH216 0