loading
| Модель: | Трех рядовые цилиндрические ролики |
|---|---|
| Марка продукта: | MBY |
| Количество: | |
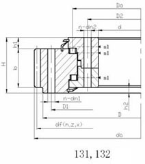
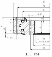
| Несущий Код | Конфигурация Размер | Промахивание Размер | Структура Размер | Механизм Данные | Внешний Механизм Данные | Внутренний Механизм Данные | | |||||||||||||||
| D | d | H | D1 | D2 | n | DN1 | DM1 | L | не | H2 | H1 | b | x | m | де | Z | де | Z | Масса | |||
| DN2 | DM2 | |||||||||||||||||||||
| нет зубы | внешний зубы | внутренний зубы | мм | мм | мм | | мм | | мм | | мм | | мм | | кг | |||||||
| 130.25.500 | 131.25.500 | 133.25.500 | 634 | 366 | 148 | 598 | 402 | 24 | 18 | M16 | 32 | 4 | 10 | 32 | 80 | 0.5 | 5 | 664 | 130 | 337 | 68 | 224 |
| 130.25.560 | 131.25.560 | 133.25.560 | 694 | 426 | 148 | 658 | 462 | 24 | 18 | M16 | 32 | 4 | 10 | 32 | 80 | 0.5 | 5 | 724 | 142 | 397 | 80 | 240 |
| 130.25.630 | 131.25.630 | 133.25.630 | 764 | 496 | 148 | 728 | 532 | 28 | 18 | M16 | 32 | 4 | 10 | 32 | 80 | 0.5 | 6 | 808.7 | 132 | 458.4 | 77 | 270 |
| 130.25.710 | 131.25.710 | 133.25.710 | 844 | 576 | 148 | 808 | 612 | 28 | 18 | M16 | 32 | 4 | 10 | 32 | 80 | 0.5 | 6 | 886.8 | 145 | 536.4 | 90 | 300 |
| 130.32.1000 | 131.32.1000 | 133.32.1000 | 1164 | 836 | 182 | 1120 | 880 | 40 | 22 | М20 | 40 | 5 | 10 | 40 | 120 | 0.5 | 10 | 1218 | 119 | 784 | 79 | 680 |
| 130.32.1120 | 131.32.1120 | 133.32.1120 | 1284 | 956 | 182 | 1240 | 1000 | 40 | 22 | М20 | 40 | 5 | 10 | 40 | 120 | 0.5 | 10 | 1338 | 131 | 904 | 91 | 820 |
| 130.32.800 | 131.32.800 | 133.32.800 | 964 | 636 | 182 | 920 | 680 | 36 | 22 | М20 | 40 | 4 | 10 | 40 | 120 | 0.5 | 8 | 1006.4 | 123 | 595.2 | 75 | 500 |
| 130.32.900 | 131.32.900 | 133.32.900 | 1064 | 736 | 182 | 1020 | 780 | 36 | 22 | М20 | 40 | 4 | 10 | 40 | 120 | 0.5 | 8 | 1102.4 | 135 | 691.2 | 87 | 600 |
| 130.40.1250 | 131.40.1250 | 133.40.1250 | 1445 | 1055 | 220 | 1393 | 1107 | 45 | 26 | M24 | 48 | 5 | 10 | 50 | 150 | 0.5 | 12 | 1509.6 | 123 | 988.8 | 83 | 1200 |
| 130.40.1400 | 131.40.1400 | 133.40.1400 | 1595 | 1205 | 220 | 1543 | 1257 | 45 | 26 | M24 | 48 | 5 | 10 | 50 | 150 | 0.5 | 12 | 1665.6 | 136 | 1144.8 | 96 | 1300 |
| 130.40.1600 | 131.40.1600 | 133.40.1600 | 1795 | 1405 | 220 | 1743 | 1457 | 48 | 26 | M24 | 48 | 6 | 10 | 50 | 150 | 0.5 | 14 | 1873.2 | 131 | 1335.6 | 96 | 1520 |
| 130.40.1800 | 131.40.1800 | 133.40.1800 | 1995 | 1605 | 220 | 1943 | 1657 | 48 | 26 | M24 | 48 | 6 | 10 | 50 | 150 | 0.5 | 14 | 2069.2 | 145 | 1531.6 | 110 | 1750 |
| 130.45.2000 | 131.45.2000 | 133.45.2000 | 2221 | 1779 | 231 | 2155 | 1845 | 60 | 33 | M30 | 60 | 6 | 10 | 54 | 160 | 0.5 | 16 | 2300.8 | 141 | 1702.4 | 107 | 2400 |
| 130.45.2240 | 131.45.2240 | 133.45.2240 | 2461 | 2019 | 231 | 2395 | 2085 | 60 | 33 | M30 | 60 | 6 | 12 | 54 | 160 | 0.5 | 16 | 2556.8 | 157 | 1926.4 | 121 | 2700 |
| 130.45.2500 | 131.45.2500 | 133.45.2500 | 2721 | 2279 | 231 | 2655 | 2345 | 72 | 33 | M30 | 60 | 8 | 12 | 54 | 160 | 0.5 | 18 | 2822.4 | 154 | 2185.2 | 122 | 3000 |
| 130.45.2800 | 131.45.2800 | 133.45.2800 | 3021 | 2579 | 231 | 2955 | 2645 | 72 | 33 | M30 | 60 | 8 | 12 | 54 | 160 | 0.5 | 18 | 3110.4 | 170 | 2491.2 | 139 | 3400 |
| 130.50.3150 | 131.50.3150 | 133.50.3150 | 3432 | 2868 | 270 | 3342 | 2958 | 72 | 45 | M42 | 84 | 8 | 12 | 60 | 180 | 0.5 | 20 | 3536 | 174 | 2768 | 139 | 5000 |
| 130.25.500 | 132.25.500 | 134.25.500 | 634 | 366 | 148 | 598 | 402 | 24 | 18 | M16 | 32 | 4 | 10 | 32 | 80 | 0.5 | 6 | 664.8 | 108 | 338.4 | 57 | 224 |
| 130.25.560 | 132.25.560 | 134.25.560 | 694 | 426 | 148 | 658 | 462 | 24 | 18 | M16 | 32 | 4 | 10 | 32 | 80 | 0.5 | 6 | 724.8 | 118 | 398.4 | 67 | 240 |
| 130.25.630 | 132.25.630 | 134.25.630 | 764 | 496 | 148 | 728 | 532 | 28 | 18 | M16 | 32 | 4 | 10 | 32 | 80 | 0.5 | 8 | 806.4 | 98 | 459.2 | 58 | 270 |
| 130.25.710 | 132.25.710 | 134.25.710 | 844 | 576 | 148 | 808 | 612 | 28 | 18 | M16 | 32 | 4 | 10 | 32 | 80 | 0.5 | 8 | 886.4 | 108 | 539.2 | 68 | 300 |
| 130.32.1000 | 132.32.1000 | 134.32.1000 | 1164 | 836 | 182 | 1120 | 880 | 40 | 22 | М20 | 40 | 5 | 10 | 40 | 120 | 0.5 | 12 | 1221.6 | 99 | 784.8 | 66 | 680 |
| 130.32.1120 | 132.32.1120 | 134.32.1120 | 1284 | 956 | 182 | 1240 | 1000 | 40 | 22 | М20 | 40 | 5 | 10 | 40 | 120 | 0.5 | 12 | 1341.6 | 109 | 904.8 | 76 | 820 |
| 130.32.800 | 132.32.800 | 134.32.800 | 964 | 636 | 182 | 920 | 680 | 36 | 22 | М20 | 40 | 4 | 10 | 40 | 120 | 0.5 | 10 | 1008 | 98 | 594 | 60 | 500 |
| 130.32.900 | 132.32.900 | 134.32.900 | 1064 | 736 | 182 | 1020 | 780 | 36 | 22 | М20 | 40 | 4 | 10 | 40 | 120 | 0.5 | 10 | 1108 | 108 | 694 | 70 | 600 |
| 130.40.1250 | 132.40.1250 | 134.40.1250 | 1445 | 1055 | 220 | 1393 | 1107 | 45 | 26 | M24 | 48 | 5 | 10 | 50 | 150 | 0.5 | 14 | 1509.2 | 105 | 985.6 | 71 | 1200 |
| 130.40.1400 | 132.40.1400 | 134.40.1400 | 1595 | 1205 | 220 | 1543 | 1257 | 45 | 26 | M24 | 48 | 5 | 10 | 50 | 150 | 0.5 | 14 | 1663.2 | 116 | 1139.6 | 82 | 1300 |
| 130.40.1600 | 132.40.1600 | 134.40.1600 | 1795 | 1405 | 220 | 1743 | 1457 | 48 | 26 | M24 | 48 | 6 | 10 | 50 | 150 | 0.5 | 16 | 1868.8 | 114 | 1334.4 | 84 | 1520 |
| 130.40.1800 | 132.40.1800 | 134.40.1800 | 1995 | 1605 | 220 | 1943 | 1657 | 48 | 26 | M24 | 48 | 6 | 10 | 50 | 150 | 0.5 | 16 | 2076.8 | 127 | 1526.4 | 96 | 1750 |
| 130.45.2000 | 132.45.2000 | 134.45.2000 | 2221 | 1779 | 231 | 2155 | 1845 | 60 | 33 | M30 | 60 | 6 | 10 | 54 | 160 | 0.5 | 18 | 2300.4 | 125 | 1699.2 | 95 | 2400 |
| 130.45.2240 | 132.45.2240 | 134.45.2240 | 2461 | 2019 | 231 | 2395 | 2085 | 60 | 33 | M30 | 60 | 6 | 12 | 54 | 160 | 0.5 | 18 | 2552.4 | 139 | 1933.2 | 108 | 2700 |
| 130.45.2500 | 132.45.2500 | 134.45.2500 | 2721 | 2279 | 231 | 2655 | 2345 | 72 | 33 | M30 | 60 | 8 | 12 | 54 | 160 | 0.5 | 20 | 2816 | 138 | 2188 | 110 | 3000 |
| 130.45.2800 | 132.45.2800 | 134.45.2800 | 3021 | 2579 | 231 | 2955 | 2645 | 72 | 33 | M30 | 60 | 8 | 12 | 54 | 160 | 0.5 | 20 | 3116 | 153 | 2488 | 125 | 3400 |
| 130.50.3150 | 132.50.3150 | 134.50.3150 | 3432 | 2868 | 270 | 3342 | 2958 | 72 | 45 | M42 | 84 | 8 | 12 | 60 | 180 | 0.5 | 22 | 3537.6 | 158 | 2758.8 | 126 | 5000 |