Добро пожаловать в MBY
Вы здесь: Дом / Игольчатые роликоподшипники / Упорный игольчатый роликоподшипник с центрирующим выступом на шайбе подшипника / Упорный игольчатый роликоподшипник с центрирующим выступом на шайбе подшипника

ТОВАРЫ

loading

facebook sharing button
twitter sharing button
line sharing button
wechat sharing button
linkedin sharing button
pinterest sharing button
sharethis sharing button
Модель: Аксиальная игольчатая роликовая подшипника с центрирующей накладкой на шайбу подшипника
Марка продукта: MBY
Количество:

Упорный игольчатый роликоподшипник с центрирующим выступом на шайбе подшипника

Описание продукта
Иглетные подшипники MBY® - это роликовые подшипники с цилиндрическими роликами, которые имеют маленький диаметр, но длинный по длине (L/D≥2,5). Иглетные подшипники MBY® имеют высокую радиальную нагрузку. А поскольку они имеют низкий поперечный сечение, подшипники иглы, подшипники, чрезвычайно подходящие для подшипников, где радиальное пространство ограничено.

MBY® предлагает широкий ассортимент игловых роликов, включая игольчатые сборы и клетки, нарисованную чашку и сплошные игольчатые подшипники. Они также могут быть указаны в качестве последователей CAM и отслеживания роликовых подшипников по приложениям. Основные рынки приложения включают автомобильную, потребительскую продукцию и общие промышленные товары.


图片 8

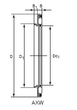
Примечание:Проведите влево или вправо, чтобы просмотреть полный стол!
Вал Диаметр Несущий Designation Масса Примерно Граница Dimensions Базовый Нагрузка Рейтинг Ограничение Скорость
Округ Колумбия1 D1 D B B1 Cr Динамика Коррекция Статический Масло 
мм g мм N оборотный
10 AXW10 8.3 10 14 27 3.2 3 9100 24000 14000
12 AXW12 9.1 12 16 29 3.2 3 8900 27800 13000
15 AXW15 10.1 15 21 31 3.2 3.5 10500 3500 11000
17 AXW17 11 17 23 33 3.2 3.5 10900 38800 10000
20 AXW20 14 20 26 38 3.2 3.5 12700 45600 8500
25 AXW25 19.5 25 32 45 3.2 4 13900 57500 7000
30 AXW30 22 30 37 50 3.2 4 15900 69500 6000
35 AXW35 26.6 35 42 55 3.2 4 17000 80100 5500
40 AXW40 39.2 40 47 63 4.2 4 27800 109000 4700
45 AXW45 43.4 45 52 68 4.2 4 29500 119900 4300
50 AXW50 49.2 50 58 73 4.2 4.5 31800 140900 3900