loading
| Модель: | Самооплачивающие шариковые подшипники открытый тип |
|---|---|
| Марка продукта: | MBY |
| Количество: | |
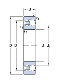
| Несущий Обозначения | Главный Габаритные размеры | Базовый нагрузка рейтинги | Скорость рейтинги | ||||
| | | | динамика | статический | Ссылка скорость | Ограничение скорость | |
| MBY | d / d1 | D | B | C | C0 | ||
| мм | кН | R/мин | |||||
| 135 TN9 | 5 | 19 | 6 | 2.5 | 0.48 | 63000 | 45000 |
| 126 TN9 | 6 | 19 | 6 | 2.5 | 0.48 | 70000 | 45000 |
| 127 TN9 | 7 | 22 | 7 | 2.6 | 0.56 | 63000 | 40000 |
| 108 TN9 | 8 | 22 | 7 | 2.6 | 0.56 | 60000 | 40000 |
| 129 TN9 | 9 | 26 | 8 | 3.9 | 0.82 | 60000 | 38000 |
| 2200 ETN9 | 10 | 30 | 14 | 8 | 1.7 | 50000 | 34000 |
| 1200 ETN9 | 10 | 30 | 9 | 5.5 | 1.1 | 56000 | 36000 |
| 1201 ETN9 | 12 | 32 | 10 | 6.2 | 1.4 | 50000 | 32000 |
| 2301 | 12 | 37 | 17 | 11.7 | 2.7 | 38000 | 28000 |
| 2201 ETN9 | 12 | 32 | 14 | 8.5 | 1.9 | 45000 | 30000 |
| 1301 ETN9 | 12 | 37 | 12 | 9.3 | 2.1 | 40000 | 28000 |
| 2302 | 15 | 42 | 17 | 11.9 | 2.9 | 32000 | 24000 |
| 1302 ETN9 | 15 | 42 | 13 | 10.8 | 2.6 | 34000 | 24000 |
| 2202 ETN9 | 15 | 35 | 14 | 8.7 | 2 | 38000 | 26000 |
| 1202 ETN9 | 15 | 35 | 11 | 7.4 | 1.7 | 45000 | 28000 |
| 1303 ETN9 | 17 | 47 | 14 | 12.7 | 3.4 | 28000 | 20000 |
| 2303 | 17 | 47 | 19 | 14.3 | 3.5 | 30000 | 22000 |
| 2203 ETN9 | 17 | 40 | 16 | 10.6 | 2.5 | 34000 | 24000 |
| 1203 ETN9 | 17 | 40 | 12 | 8.8 | 2.2 | 38000 | 24000 |
| 11204 ETN9 | 20 | 47 | 40 | 12.7 | 3.4 | | 9000 |
| 2304 TN9 | 20 | 52 | 21 | 18.2 | 4.7 | 26000 | 19000 |
| 1304 ETN9 | 20 | 52 | 15 | 14.3 | 4 | 26000 | 18000 |
| 1204 ETN9 | 20 | 47 | 14 | 12.7 | 3.4 | 32000 | 20000 |
| 1204 Ektn9 | 20 | 47 | 14 | 12.7 | 3.4 | 32000 | 20000 |
| 2204 ETN9 | 20 | 47 | 18 | 16.8 | 4.1 | 28000 | 20000 |
| 2205 ETN9 | 25 | 52 | 18 | 16.8 | 4.4 | 26000 | 18000 |
| 2205 Ektn9 | 25 | 52 | 18 | 16.8 | 4.4 | 26000 | 18000 |
| 2305 ETN9 | 25 | 62 | 24 | 27 | 7.1 | 22000 | 16000 |
| 1205 Ektn9 | 25 | 52 | 15 | 14.3 | 4 | 28000 | 18000 |
| 1305 ETN9 | 25 | 62 | 17 | 19 | 5.4 | 22000 | 15000 |
| 11205 ETN9 | 25 | 52 | 44 | 14.3 | 4 | | 8000 |
| 1205 ETN9 | 25 | 52 | 15 | 14.3 | 4 | 28000 | 18000 |
| 2305 Ektn9 | 25 | 62 | 24 | 27 | 7.1 | 22000 | 15000 |
| 1305 Ektn9 | 25 | 62 | 17 | 19 | 5.4 | 22000 | 15000 |
| 11206 TN9 | 30 | 62 | 48 | 15.6 | 4.6 | | 6700 |
| 1206 ETN9 | 30 | 62 | 16 | 15.6 | 4.6 | 24000 | 15000 |
| 2306 | 30 | 72 | 27 | 31.2 | 8.8 | 18000 | 13000 |
| 1306 ETN9 | 30 | 72 | 19 | 22.5 | 6.8 | 19000 | 13000 |
| 1206 Ektn9 | 30 | 62 | 16 | 15.6 | 4.6 | 24000 | 15000 |
| 2206 Ektn9 | 30 | 62 | 20 | 23.8 | 6.7 | 22000 | 15000 |
| 2306 K | 30 | 72 | 27 | 31.2 | 8.8 | 18000 | 13000 |
| 1306 Ektn9 | 30 | 72 | 19 | 22.5 | 6.8 | 19000 | 13000 |
| 2206 ETN9 | 30 | 62 | 20 | 23.8 | 6.7 | 22000 | 15000 |
| 2207 ETN9 | 35 | 72 | 23 | 30.2 | 8.8 | 18000 | 12000 |
| 2207 Ektn9 | 35 | 72 | 23 | 30.2 | 8.8 | 18000 | 12000 |
| 11207 TN9 | 35 | 72 | 52 | 19 | 6 | | 5600 |
| 1207 Ektn9 | 35 | 72 | 17 | 19 | 6 | 20000 | 13000 |
| 2307 Ektn9 | 35 | 80 | 31 | 39.7 | 11.2 | 16000 | 12000 |
| 1307 ETN9 | 35 | 80 | 21 | 26.5 | 8.5 | 16000 | 11000 |
| 2307 ETN9 | 35 | 80 | 31 | 39.7 | 11.2 | 16000 | 12000 |
| 1207 ETN9 | 35 | 72 | 17 | 19 | 6 | 20000 | 13000 |
| 1307 Ektn9 | 35 | 80 | 21 | 26.5 | 8.5 | 16000 | 11000 |
| 2308 Ektn9 | 40 | 90 | 33 | 54 | 16 | 14000 | 10000 |
| 1208 Ektn9 | 40 | 80 | 18 | 19.9 | 6.9 | 18000 | 11000 |
| 1208 ETN9 | 40 | 80 | 18 | 19.9 | 6.9 | 18000 | 11000 |
| 11208 TN9 | 40 | 80 | 56 | 19 | 6.5 | | 5000 |
| 2308 ETN9 | 40 | 90 | 33 | 54 | 16 | 14000 | 10000 |
| 1308 ETN9 | 40 | 90 | 23 | 33.8 | 11.2 | 14000 | 9500 |
| 2208 ETN9 | 40 | 80 | 23 | 31.9 | 10 | 16000 | 11000 |
| 2208 Ektn9 | 40 | 80 | 23 | 31.9 | 10 | 16000 | 11000 |
| 1308 Ektn9 | 40 | 90 | 23 | 33.8 | 11.2 | 14000 | 9500 |
| 2209 Ektn9 | 45 | 85 | 23 | 32.5 | 10.6 | 15000 | 10000 |
| 2309 ETN9 | 45 | 100 | 36 | 63.7 | 19.3 | 13000 | 9000 |
| 1209 ETN9 | 45 | 85 | 19 | 22.9 | 7.8 | 17000 | 11000 |
| 11209 TN9 | 45 | 85 | 58 | 22.9 | 7.8 | | 4500 |
| 1309 Ektn9 | 45 | 100 | 25 | 39 | 13.4 | 12000 | 8500 |
| 2209 ETN9 | 45 | 85 | 23 | 32.5 | 10.6 | 15000 | 10000 |
| 2309 Ektn9 | 45 | 100 | 36 | 63.7 | 19.3 | 13000 | 9000 |
| 1209 Ektn9 | 45 | 85 | 19 | 22.9 | 7.8 | 17000 | 11000 |
| 1309 ETN9 | 45 | 100 | 25 | 39 | 13.4 | 12000 | 8500 |
| 2210 Ektn9 | 50 | 90 | 23 | 33.8 | 11.2 | 14000 | 9500 |
| 1310 Ektn9 | 50 | 110 | 27 | 43.6 | 14 | 12000 | 8000 |
| 2210 ETN9 | 50 | 90 | 23 | 33.8 | 11.2 | 14000 | 9500 |
| 2310 | 50 | 110 | 40 | 63.7 | 20 | 14000 | 9500 |
| 1310 ETN9 | 50 | 110 | 27 | 43.6 | 14 | 12000 | 8000 |
| 1210 ETN9 | 50 | 90 | 20 | 26.5 | 9.1 | 16000 | 10000 |
| 1210 Ektn9 | 50 | 90 | 20 | 26.5 | 9.1 | 16000 | 10000 |
| 11210 TN9 | 50 | 90 | 58 | 26.5 | 9.1 | | 4300 |
| 2310 K | 50 | 110 | 40 | 63.7 | 20 | 14000 | 9500 |
| 1211 Ektn9 | 55 | 100 | 21 | 27.6 | 10.6 | 14000 | 9000 |
| 2211 Ektn9 | 55 | 100 | 25 | 39 | 13.4 | 12000 | 8500 |
| 2311 | 55 | 120 | 43 | 76.1 | 24 | 11000 | 7500 |
| 1311 Ektn9 | 55 | 120 | 29 | 50.7 | 18 | 11000 | 7500 |
| 1211 ETN9 | 55 | 100 | 21 | 27.6 | 10.6 | 14000 | 9000 |
| 2311 K | 55 | 120 | 43 | 76.1 | 24 | 11000 | 7500 |
| 1311 ETN9 | 55 | 120 | 29 | 50.7 | 18 | 11000 | 7500 |
| 2211 ETN9 | 55 | 100 | 25 | 39 | 13.4 | 12000 | 8500 |
| 1312 ETN9 | 60 | 130 | 31 | 58.5 | 22 | 9000 | 6300 |
| 1212 Ektn9 | 60 | 110 | 22 | 31.2 | 12.2 | 12000 | 8500 |
| 2212 Ektn9 | 60 | 110 | 28 | 48.8 | 17 | 11000 | 8000 |
| 2312 | 60 | 130 | 46 | 87.1 | 28.5 | 9500 | 7000 |
| 2312 K | 60 | 130 | 46 | 87.1 | 28.5 | 9500 | 7000 |
| 1312 Ektn9 | 60 | 130 | 31 | 58.5 | 22 | 9000 | 6300 |
| 11212 TN9 | 60 | 110 | 62 | 31.2 | 12.2 | | 3400 |
| 2212 ETN9 | 60 | 110 | 28 | 48.8 | 17 | 11000 | 8000 |
| 1212 ETN9 | 60 | 110 | 22 | 31.2 | 12.2 | 12000 | 8500 |
| 1213 ETN9 | 65 | 120 | 23 | 35.1 | 14 | 11000 | 7000 |
| 1213 Ektn9 | 65 | 120 | 23 | 35.1 | 14 | 11000 | 7000 |
| 2313 | 65 | 140 | 48 | 95.6 | 32.5 | 9000 | 6300 |
| 1313 ETN9 | 65 | 140 | 33 | 65 | 25.5 | 8500 | 6000 |
| 1313 Ektn9 | 65 | 140 | 33 | 65 | 25.5 | 8500 | 6000 |
| 2313 K | 65 | 140 | 48 | 95.6 | 32.5 | 9000 | 6300 |
| 2213 ETN9 | 65 | 120 | 31 | 57.2 | 20 | 10000 | 7000 |
| 2213 Ektn9 | 65 | 120 | 31 | 57.2 | 20 | 10000 | 7000 |
| 1314 | 70 | 150 | 35 | 74.1 | 27.5 | 8500 | 6000 |
| 2214 | 70 | 125 | 31 | 44.2 | 17 | 10000 | 6700 |
| 2314 | 70 | 150 | 51 | 111 | 37.5 | 8000 | 6000 |
| 1214 ETN9 | 70 | 125 | 24 | 35.8 | 14.6 | 11000 | 7000 |
| 1315 | 75 | 160 | 37 | 79.3 | 30 | 8000 | 5600 |
| 1315 K | 75 | 160 | 37 | 79.3 | 30 | 8000 | 5600 |
| 2315 | 75 | 160 | 55 | 124 | 43 | 7500 | 5600 |
| 2315 K | 75 | 160 | 55 | 124 | 43 | 7500 | 5600 |
| 2215 Ektn9 | 75 | 130 | 31 | 58.5 | 22 | 9000 | 6300 |
| 2215 ETN9 | 75 | 130 | 31 | 58.5 | 22 | 9000 | 6300 |
| 1215 | 75 | 130 | 25 | 39 | 15.6 | 10000 | 6700 |
| 1215 K | 75 | 130 | 25 | 39 | 15.6 | 10000 | 6700 |
| 1316 | 80 | 170 | 39 | 88.4 | 33.5 | 7500 | 5300 |
| 1216 K | 80 | 140 | 26 | 39.7 | 17 | 9500 | 6000 |
| 2316 | 80 | 170 | 58 | 135 | 49 | 7000 | 5300 |
| 1316 K | 80 | 170 | 39 | 88.4 | 33.5 | 7500 | 5300 |
| 2316 K | 80 | 170 | 58 | 135 | 49 | 7000 | 5300 |
| 2216 ETN9 | 80 | 140 | 33 | 65 | 25.5 | 8500 | 6000 |
| 2216 Ektn9 | 80 | 140 | 33 | 65 | 25.5 | 8500 | 6000 |
| 1216 | 80 | 140 | 26 | 39.7 | 17 | 9500 | 6000 |
| 1317 | 85 | 180 | 41 | 97.5 | 38 | 7000 | 4800 |
| 2217 | 85 | 150 | 36 | 58.5 | 23.6 | 8000 | 5600 |
| 2317 | 85 | 180 | 60 | 140 | 51 | 6700 | 4800 |
| 1217 K | 85 | 150 | 28 | 48.8 | 20.8 | 9000 | 5600 |
| 2317 K | 85 | 180 | 60 | 140 | 51 | 6700 | 4800 |
| 1317 K | 85 | 180 | 41 | 97.5 | 38 | 7000 | 4800 |
| 2217 K | 85 | 150 | 36 | 58.5 | 23.6 | 8000 | 5600 |
| 1217 | 85 | 150 | 28 | 48.8 | 20.8 | 9000 | 5600 |
| 1318 | 90 | 190 | 43 | 117 | 44 | 6700 | 4500 |
| 1218 K | 90 | 160 | 30 | 57.2 | 23.6 | 8500 | 5300 |
| 2218 | 90 | 160 | 40 | 70.2 | 28.5 | 7500 | 5300 |
| 2318 | 90 | 190 | 64 | 151 | 57 | 6300 | 4500 |
| 1318 K | 90 | 190 | 43 | 117 | 44 | 6700 | 4500 |
| 2218 K | 90 | 160 | 40 | 70.2 | 28.5 | 7500 | 5300 |
| 2318 K | 90 | 190 | 64 | 151 | 57 | 6300 | 4500 |
| 1218 | 90 | 160 | 30 | 57.2 | 23.6 | 8500 | 5300 |
| 1319 | 95 | 200 | 45 | 133 | 51 | 6300 | 4300 |
| 2219 | 95 | 170 | 43 | 83.2 | 34.5 | 7000 | 5000 |
| 2319 Км | 95 | 200 | 67 | 165 | 64 | 6000 | 4300 |
| 2319 M | 95 | 200 | 67 | 165 | 64 | 6000 | 4500 |
| 2219 K | 95 | 170 | 43 | 83.2 | 34.5 | 7000 | 5000 |
| 1319 K | 95 | 200 | 45 | 133 | 51 | 6300 | 4300 |
| 1219 K | 95 | 170 | 32 | 63.7 | 27 | 8000 | 5000 |
| 1219 | 95 | 170 | 32 | 63.7 | 27 | 8000 | 5000 |
| 2220 | 100 | 180 | 46 | 97.5 | 40.5 | 6700 | 4800 |
| 2320 K | 100 | 215 | 73 | 190 | 80 | 5600 | 4000 |
| 1320 | 100 | 215 | 47 | 143 | 57 | 6000 | 4000 |
| 2320 | 100 | 215 | 73 | 190 | 80 | 5600 | 4000 |
| 2220 K | 100 | 180 | 46 | 97.5 | 40.5 | 6700 | 4800 |
| 1220 K | 100 | 180 | 34 | 68.9 | 30 | 7500 | 4800 |
| 1320 K | 100 | 215 | 47 | 143 | 57 | 6000 | 4000 |
| 1220 | 100 | 180 | 34 | 68.9 | 30 | 7500 | 4800 |
| 1322 M | 110 | 240 | 50 | 163 | 72 | 5300 | 3600 |
| 2222 K | 110 | 200 | 53 | 124 | 52 | 6000 | 4300 |
| 2222 | 110 | 200 | 53 | 124 | 52 | 6000 | 4300 |
| 1222 K | 110 | 200 | 38 | 88.4 | 39 | 6700 | 4300 |
| 1322 Км | 110 | 240 | 50 | 163 | 72 | 5300 | 3600 |
| 1222 | 110 | 200 | 38 | 88.4 | 39 | 6700 | 4300 |
| 1224 M | 120 | 215 | 42 | 119 | 53 | 6300 | 4000 |
| 1224 Км | 120 | 215 | 42 | 119 | 53 | 6300 | 4000 |
| 1226 Км | 130 | 230 | 46 | 127 | 58.5 | 5600 | 3600 |
| 1226 M | 130 | 230 | 46 | 127 | 58.5 | 5600 | 3600 |
| 13030 | 150 | 225 | 56 | 57.2 | 23.6 | 5600 | 3400 |
| 13036 | 180 | 280 | 74 | 95.6 | 40 | 4500 | 2800 |
| 13940 | 200 | 280 | 60 | 60.5 | 29 | 4300 | 2600 |
| 13944 | 220 | 300 | 60 | 60.5 | 30.5 | 3800 | 2400 |
| 13948 | 240 | 320 | 60 | 60.5 | 32 | 3800 | 2200 |